catbyvin

Z3 1.9 M43

Серия: Z3

Футляр для зонта вместе с зонтом
Раздел
Дооснащение отдел.цен.пород дерев.клен
Раздел
Декоративная решетка
Раздел
Верх спидстера
Раздел
Ветрозащитный козырек
Раздел
Кронштейн передка Л
Раздел
Кронштейн передка П
Раздел
Кабельный канал/кронштейн ЭБУ
Раздел
Различные дополнительные жгуты проводов
Раздел
Реле дневного освещения K26
Раздел
Реле дальнего света K46
Раздел
Реле сигнала тревоги столкновения N17
Раздел
Ремонтный провод НПБ
Раздел
Провод мерный товар
Раздел
Различные детали для ремонта проводов
Раздел
Рем.комплект гнездового корпуса 2-пол.
Раздел
Реле мостовой схемы - соединит.разъем
Раздел
Car phones
Car phones
Запчасти
Easy-on/Easy-off Seat Cover
Easy-on/Easy-off Seat Cover
Запчасти
Park Distance Control universale sonoro
Park Distance Control universale sonoro
Запчасти
S5D...G внутренние детали переключения
S5D...G внутренние детали переключения
Запчасти
Адаптер (универс.подъемник) для тента
Адаптер (универс.подъемник) для тента
Запчасти
Антенна с коротким стержнем
Антенна с коротким стержнем
Запчасти
Аэродинамический комплект
Аэродинамический комплект
Запчасти
Бланк BMW
Бланк BMW
Запчасти
Блок для кассет
Блок для кассет
Запчасти
Брызговик Пд
Брызговик Пд
Запчасти
Вентиляционный канал
Вентиляционный канал
Запчасти
Ветрозащ.стенка с сист.защ.при.перевор.
Ветрозащ.стенка с сист.защ.при.перевор.
Запчасти
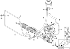
Гидроагрегат ASC/ЭБУ/кронштейн
Гидроагрегат ASC/ЭБУ/кронштейн
Запчасти
Гнездовые/ штыревые контакты ELO
Гнездовые/ штыревые контакты ELO
Запчасти
Детали CD-чейнджера A
Детали CD-чейнджера A
Запчасти
Детали верха, корпус
Детали верха, корпус
Запчасти
Детали генератора 90 А Valeo
Детали генератора 90 А Valeo
Запчасти
Детали днища прицепа
Детали днища прицепа
Запчасти
Детали дышла прицепа
Детали дышла прицепа
Запчасти
Детали жесткой цельносъемной крыши
Детали жесткой цельносъемной крыши
Запчасти
Детали запор.мех.погрузочн.платф.прицепа
Детали запор.мех.погрузочн.платф.прицепа
Запчасти
Детали кожуха балансира прицепа
Детали кожуха балансира прицепа
Запчасти
Детали корпуса кондиционера
Детали корпуса кондиционера
Запчасти
Детали корпуса отопителя Behr
Детали корпуса отопителя Behr
Запчасти
Детали корпуса предохранителя
Детали корпуса предохранителя
Запчасти
Детали лобовой защитной дуги прицепа
Детали лобовой защитной дуги прицепа
Запчасти
Детали накатного приспособления прицепа
Детали накатного приспособления прицепа
Запчасти
Детали опорного колеса прицепа
Детали опорного колеса прицепа
Запчасти
Детали подвески колес прицепа
Детали подвески колес прицепа
Запчасти
Детали подпорки задней части прицепа
Детали подпорки задней части прицепа
Запчасти
Детали прицепа пластмасса
Детали прицепа пластмасса
Запчасти
Детали рамы шасси прицепа
Детали рамы шасси прицепа
Запчасти
Детали рычажного механ.тормозов прицепа
Детали рычажного механ.тормозов прицепа
Запчасти
Детали стояночного тормоза прицепа
Детали стояночного тормоза прицепа
Запчасти
Детали тормозн.механизмов колес прицепа
Детали тормозн.механизмов колес прицепа
Запчасти
Детск.коляска BMW chrom-marine с принадл
Детск.коляска BMW chrom-marine с принадл
Запчасти
Детская коляска BMW красная с принадл.
Детская коляска BMW красная с принадл.
Запчасти
Домкратный комплект
Домкратный комплект
Запчасти
Доосн.декор.ал.планками с полукругл.рис.
Доосн.декор.ал.планками с полукругл.рис.
Запчасти
Дооснащение жесткой цельносъемной крышей
Дооснащение жесткой цельносъемной крышей
Запчасти
Дооснащение планками Interieur mattchrom
Дооснащение планками Interieur mattchrom
Запчасти
Дооснащение подстаканником
Дооснащение подстаканником
Запчасти
Дополнительные элементы системы впуска
Дополнительные элементы системы впуска
Запчасти
Жгуты проводов двери
Жгуты проводов двери
Запчасти
Замок колесного болта с адаптером
Замок колесного болта с адаптером
Запчасти
Зарядное у-во для акк.батареи
Зарядное у-во для акк.батареи
Запчасти
Защитная оболочка от грызунов
Защитная оболочка от грызунов
Запчасти
Индивид.декоративные полосы "Deco-Line"
Индивид.декоративные полосы "Deco-Line"
Запчасти
Индивидуальная отделка деревом
Индивидуальная отделка деревом
Запчасти
К-т Driver utility
К-т Driver utility
Запчасти
К-т доосн.двухкан.телефонной антенной
К-т доосн.двухкан.телефонной антенной
Запчасти
К-т доосн.потолком складного верха
К-т доосн.потолком складного верха
Запчасти
Каркас кузова
Каркас кузова
Запчасти
Клапан вентиляции топливного бака
Клапан вентиляции топливного бака
Запчасти
Комп.дооснащ.автон.сист.отопл./вентил.
Комп.дооснащ.автон.сист.отопл./вентил.
Запчасти
Компактный генератор
Компактный генератор
Запчасти
Комплект бочкообразных пружин
Комплект бочкообразных пружин
Запчасти
Комплект дооснащ.противотуманной фары
Комплект дооснащ.противотуманной фары
Запчасти
Комплект дооснащения антенной на бампере
Комплект дооснащения антенной на бампере
Запчасти
Комплект дооснащения дуги безопасности
Комплект дооснащения дуги безопасности
Запчасти
Комплект фиксаторов колесного болта
Комплект фиксаторов колесного болта
Запчасти
Компрессор и дополнит.элементы
Компрессор и дополнит.элементы
Запчасти
Компрессор кондиционера дополн.элементы
Компрессор кондиционера дополн.элементы
Запчасти
Контактная система MQS
Контактная система MQS
Запчасти
Коробочка с малярными принадлежностями
Коробочка с малярными принадлежностями
Запчасти
Корпус вилки разъема ELO неводонепрониц.
Корпус вилки разъема ELO неводонепрониц.
Запчасти
Корпус вилки разъема ELO-Power
Корпус вилки разъема ELO-Power
Запчасти
Крепежная система прицепа
Крепежная система прицепа
Запчасти
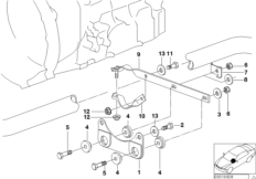
Крепление КПП
Крепление КПП
Запчасти
Крепление коробки передач
Крепление коробки передач
Запчасти
Кронштейн Зд
Кронштейн Зд
Запчасти
Кронштейн жесткой крыши/передвижной
Кронштейн жесткой крыши/передвижной
Запчасти
Кронштейн разъема
Кронштейн разъема
Запчасти
Маслопроводы гидроусилителя рул.управл.
Маслопроводы гидроусилителя рул.управл.
Запчасти
Механические соединительные элементы
Механические соединительные элементы
Запчасти
Модуль мотоцикла прицепа
Модуль мотоцикла прицепа
Запчасти
Ножные коврики с запорным механизмом
Ножные коврики с запорным механизмом
Запчасти
Огнетушитель порошковый
Огнетушитель порошковый
Запчасти
Остекление
Остекление
Запчасти
Отделение для складного верха
Отделение для складного верха
Запчасти
Откидной ящик
Откидной ящик
Запчасти
Отсек для мелких вещей
Отсек для мелких вещей
Запчасти
Отсек, сабвуфер
Отсек, сабвуфер
Запчасти
Панель пр.верх.часть вод./п.пас.без НПБ
Панель пр.верх.часть вод./п.пас.без НПБ
Запчасти
Панель пр.верх.часть вод./п.пас.с НПБ
Панель пр.верх.часть вод./п.пас.с НПБ
Запчасти
Погрузочная платформа прицепа
Погрузочная платформа прицепа
Запчасти
Подпорки задней части прицепа
Подпорки задней части прицепа
Запчасти
Подъемник для велосипеда
Подъемник для велосипеда
Запчасти
Помехоподавляющий фильтр
Помехоподавляющий фильтр
Запчасти
Разгрузочное реле контакта 15 K6326
Разгрузочное реле контакта 15 K6326
Запчасти
Разгрузочное реле контакта 15 K9
Разгрузочное реле контакта 15 K9
Запчасти
Различные блоки управления
Различные блоки управления
Запчасти
Различные гребешковые соединители
Различные гребешковые соединители
Запчасти
Различные держатели провода
Различные держатели провода
Запчасти
Различные кабельные наконечники
Различные кабельные наконечники
Запчасти
Различные реле
Различные реле
Запчасти
Различные штекерные соединители
Различные штекерные соединители
Запчасти
Расходомер воздуха
Расходомер воздуха
Запчасти
Резиновый коврик
Резиновый коврик
Запчасти
Реле DME K6300
Реле DME K6300
Запчасти
Реле аварийного светового сигнала K16
Реле аварийного светового сигнала K16
Запчасти
Реле ближнего света K48
Реле ближнего света K48
Запчасти
Реле вентилятора отопителя K4
Реле вентилятора отопителя K4
Запчасти
Реле главного реле сист.ABS tomaten-rot
Реле главного реле сист.ABS tomaten-rot
Запчасти
Реле двигателя
Реле двигателя
Запчасти
Реле дневного освещения
Реле дневного освещения
Запчасти
Реле доп. вентилятора, скорость 1 K21
Реле доп. вентилятора, скорость 1 K21
Запчасти
Реле доп. вентилятора, скорость 2 K22
Реле доп. вентилятора, скорость 2 K22
Запчасти
Реле дополнительного насоса ОЖ K104
Реле дополнительного насоса ОЖ K104
Запчасти
Реле задних противотуманных фонарей K49
Реле задних противотуманных фонарей K49
Запчасти
Реле компрессора кондиционера K19
Реле компрессора кондиционера K19
Запчасти
Реле крышки багажника K70
Реле крышки багажника K70
Запчасти
Реле нагнетателя доб.воздуха K6304
Реле нагнетателя доб.воздуха K6304
Запчасти
Реле освещения Скандинавия K200
Реле освещения Скандинавия K200
Запчасти
Реле отключ. прод.рег.сид.вод. K921
Реле отключ. прод.рег.сид.вод. K921
Запчасти
Реле отключ. прод.рег.сид.п.пас. K911
Реле отключ. прод.рег.сид.п.пас. K911
Запчасти
Реле отключ. рег.сид.вод.по выс. K920
Реле отключ. рег.сид.вод.по выс. K920
Запчасти
Реле отключ. рег.сид.п.пас.по выс. K910
Реле отключ. рег.сид.п.пас.по выс. K910
Запчасти
Реле противотуманной фары K47
Реле противотуманной фары K47
Запчасти
Реле рупорного звукового сигнала K2
Реле рупорного звукового сигнала K2
Запчасти
Реле с замык.контактом, фиолетово-синий
Реле с замык.контактом, фиолетово-синий
Запчасти
Реле складного верха 1 K18363
Реле складного верха 1 K18363
Запчасти
Реле складного верха 2 K18364
Реле складного верха 2 K18364
Запчасти
Реле со сдв.зам.контактом pastellorange
Реле со сдв.зам.контактом pastellorange
Запчасти
Реле стоян.огней П/ф.подсв.ном.зн.K25
Реле стоян.огней П/ф.подсв.ном.зн.K25
Запчасти
Реле топливного насоса K6301
Реле топливного насоса K6301
Запчасти
Реле фонарей заднего хода K6325
Реле фонарей заднего хода K6325
Запчасти
Реле чейнджера MINI серое
Реле чейнджера MINI серое
Запчасти
Рем.комплект гнездового корпуса 12-пол.
Рем.комплект гнездового корпуса 12-пол.
Запчасти
Рул.колонка-нижн.секция вала рул.упр.
Рул.колонка-нижн.секция вала рул.упр.
Запчасти
Свидетельство соответствия ЕС
Свидетельство соответствия ЕС
Запчасти
Сдвоенный пружинящий контакт
Сдвоенный пружинящий контакт
Запчасти
Сервисная книжка 1999 - 2001 BMW
Сервисная книжка 1999 - 2001 BMW
Запчасти
Система защиты при переворачивании
Система защиты при переворачивании
Запчасти
Складной верх дополнительные элементы
Складной верх дополнительные элементы
Запчасти
Складной верх с э/гидравлич. приводом
Складной верх с э/гидравлич. приводом
Запчасти
Сумка с аварийными принадлежностями
Сумка с аварийными принадлежностями
Запчасти
Телефонная консоль
Телефонная консоль
Запчасти
Тросик привода регул.заслонок кондицион.
Тросик привода регул.заслонок кондицион.
Запчасти
Тросик привода регул.заслонок отопления
Тросик привода регул.заслонок отопления
Запчасти
Указания по уходу BMW
Указания по уходу BMW
Запчасти
Универсальный подъемник
Универсальный подъемник
Запчасти
Усилитель привода багажной двери
Усилитель привода багажной двери
Запчасти
Фиксатор для сноуборда
Фиксатор для сноуборда
Запчасти
Цилиндрический разъем диам. 2,5 мм сист.
Цилиндрический разъем диам. 2,5 мм сист.
Запчасти
Цоколь реле
Цоколь реле
Запчасти
Чемодан/ чемодан для багажника Z3
Чемодан/ чемодан для багажника Z3
Запчасти
Чехол для деталей боковой двери
Чехол для деталей боковой двери
Запчасти
Шильдик "Reifendruck"
Шильдик "Reifendruck"
Запчасти
Штекер диагностического разъема
Штекер диагностического разъема
Запчасти
Щиток Нж
Щиток Нж
Запчасти
Э/гидр.детали скл.верха с э/гидр.прив.
Э/гидр.детали скл.верха с э/гидр.прив.
Запчасти
Электрические детали отопителя
Электрические детали отопителя
Запчасти
Элемент блокир.диффер.редукт.зад.моста
Элемент блокир.диффер.редукт.зад.моста
Запчасти
Элементы крепления генератора
Элементы крепления генератора
Запчасти
Элементы крепления системы выпуска ОГ
Элементы крепления системы выпуска ОГ
Запчасти
Ящик для багажника "Multifix"
Ящик для багажника "Multifix"
Запчасти
боковая обшивка задняя
боковая обшивка задняя
Запчасти
витая пружина передняя
витая пружина передняя
Запчасти
детали передка кузова
детали передка кузова
Запчасти