Fleetwood Brougham
STEERING ASM/RACK & PINION-SHAFT & COUPLING/INTERMEDIATE
Запчасти
STEERING COLUMN/STANDARD (C/S, A.T.)
Запчасти
STEERING COLUMN/TILT & TELESCOPE (C/S, A.T.)
Запчасти
STEERING GEAR ASM/POWER (MODEL 800)
Запчасти
STEERING LINKAGE & GEAR MOUNTING
Запчасти
STEERING PUMP ASM (SUBMERGED)
Запчасти
STEERING PUMP MOUNTING & VACUUM-4.1L V8 (LT8/4.1-8)
Запчасти
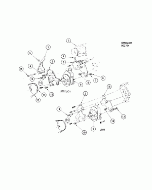
STEERING PUMP MOUNTING-4.1L V6 (LC4/4.1-4)
Запчасти
STEERING PUMP MOUNTING-5.7L V8 (LF9/350N) DIESEL
Запчасти
STEERING SYSTEM & RELATED PARTS
Запчасти
STEERING WHEEL & HORN PARTS
Запчасти
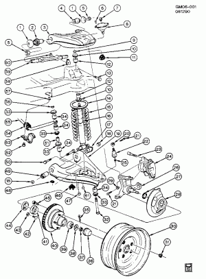
SUSPENSION/FRONT
Запчасти