STS (2005 - 2011)
ENGINE & TRANSMISSION MOUNTING-V8 (LC3/4.4D)
Запчасти
ENGINE & TRANSMISSION MOUNTING-V8 (LH2/4.6A, M22)
Запчасти
ENGINE & TRANSMISSION MOUNTING-V8 (LH2/4.6A, MV3)
Запчасти
ENGINE ASM & PARTIAL ENGINE (LC3/4.4D)
Запчасти
ENGINE ASM & PARTIAL ENGINE (LH2/4.6A)
Запчасти
ENGINE ASM-4.4L V8 PART 1 CYLINDER BLOCK & INTERNAL PARTS (LC3/4.4D)
Запчасти
ENGINE ASM-4.4L V8 PART 2 CYLINDER HEAD & RELATED PARTS (LC3/4.4D)
Запчасти
ENGINE ASM-4.4L V8 PART 3 FRONT COVER & COOLING (LC3/4.4D)
Запчасти
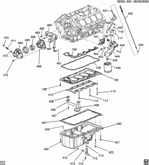
ENGINE ASM-4.4L V8 PART 4 OIL PUMP, PAN & RELATED PARTS (LC3/4.4D)
Запчасти
ENGINE ASM-4.4L V8 PART 5 MANIFOLDS & FUEL RELATED PARTS (LC3/4.4D)
Запчасти
ENGINE ASM-4.6L V8 PART 1 CYLINDER BLOCK & INTERNAL PARTS (LH2/4.6A)
Запчасти
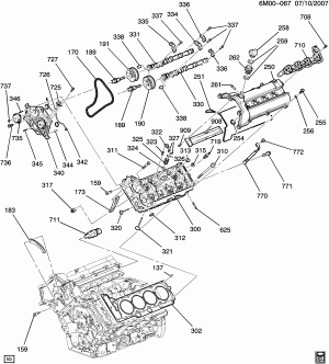
ENGINE ASM-4.6L V8 PART 2 CYLINDER HEAD & RELATED PARTS (LH2/4.6A)
Запчасти
ENGINE ASM-4.6L V8 PART 3 FRONT COVER & COOLING (LH2/4.6A)
Запчасти
ENGINE ASM-4.6L V8 PART 4 OIL PUMP, PAN & RELATED PARTS (LH2/4.6A)
Запчасти
ENGINE ASM-4.6L V8 PART 5 MANIFOLDS & FUEL RELATED PARTS (LH2/4.6A)
Запчасти
ENGINE TO TRANSMISSION MOUNTING (LC3/4.4D)
Запчасти
ENGINE TO TRANSMISSION MOUNTING (LH2/4.6A)
Запчасти