catbyvin

XT4 (2019 - 2024)

БАК ЖИДКОСТИ СИСТЕМЫ КОНТРОЛЯ ТОКСИЧНОСТИ ВЫХЛОПНЫХ ГАЗОВ (LSQ/2.0-2)
БАК ЖИДКОСТИ СИСТЕМЫ КОНТРОЛЯ ТОКСИЧНОСТИ ВЫХЛОПНЫХ ГАЗОВ (LSQ/2.0-2)
Запчасти
БАК ЖИДКОСТИ СИСТЕМЫ КОНТРОЛЯ ТОКСИЧНОСТИ ВЫХЛОПНЫХ ГАЗОВ КРЕПЛЕНИЕ И ЗАПРАВОЧНЫЕ ТРУБКИ (LSQ/2.0-2)
БАК ЖИДКОСТИ СИСТЕМЫ КОНТРОЛЯ ТОКСИЧНОСТИ ВЫХЛОПНЫХ ГАЗОВ КРЕПЛЕНИЕ И ЗАПРАВОЧНЫЕ ТРУБКИ (LSQ/2.0-2)
Запчасти
БЛОК РЕГУЛИРОВАНИЯ РАСХОДА ТОПЛИВА
БЛОК РЕГУЛИРОВАНИЯ РАСХОДА ТОПЛИВА
Запчасти
ВПУСКНАЯ ВОЗДУШНАЯ СИСТЕМА (LSQ/2.0-2)
ВПУСКНАЯ ВОЗДУШНАЯ СИСТЕМА (LSQ/2.0-2)
Запчасти
ВПУСКНАЯ ВОЗДУШНАЯ СИСТЕМА (LSY/2.0-4)
ВПУСКНАЯ ВОЗДУШНАЯ СИСТЕМА (LSY/2.0-4)
Запчасти
ВЫПУСКНАЯ СИСТЕМА/ДАТЧИК ДАВЛЕНИЯ И КРЕПЛЕНИЕ ТРУБЫ (LSQ/2.0-2)
ВЫПУСКНАЯ СИСТЕМА/ДАТЧИК ДАВЛЕНИЯ И КРЕПЛЕНИЕ ТРУБЫ (LSQ/2.0-2)
Запчасти
ВЫПУСКНАЯ СИСТЕМА/ДАТЧИК ДАВЛЕНИЯ И КРЕПЛЕНИЕ ТРУБЫ (LSY/2.0-4, ВЫПУСКНАЯ СИСТЕМА NCL,NM9)
ВЫПУСКНАЯ СИСТЕМА/ДАТЧИК ДАВЛЕНИЯ И КРЕПЛЕНИЕ ТРУБЫ (LSY/2.0-4, ВЫПУСКНАЯ СИСТЕМА NCL,NM9)
Запчасти
ВЫПУСКНАЯ СИСТЕМА/ЗАДНЯЯ ЧАСТЬ (LSQ/2.0-2, ЗА ИСКЛЮЧЕНИЕМ ПОЛНОГО ПРИВОДА F48)
ВЫПУСКНАЯ СИСТЕМА/ЗАДНЯЯ ЧАСТЬ (LSQ/2.0-2, ЗА ИСКЛЮЧЕНИЕМ ПОЛНОГО ПРИВОДА F48)
Запчасти
ВЫПУСКНАЯ СИСТЕМА/ЗАДНЯЯ ЧАСТЬ (LSQ/2.0-2, ПОЛНЫЙ ПРИВОД F48)
ВЫПУСКНАЯ СИСТЕМА/ЗАДНЯЯ ЧАСТЬ (LSQ/2.0-2, ПОЛНЫЙ ПРИВОД F48)
Запчасти
ВЫПУСКНАЯ СИСТЕМА/ЗАДНЯЯ ЧАСТЬ (LSY/2.0-4, ЗА ИСКЛЮЧЕНИЕМ ПОЛНОГО ПРИВОДА F48)
ВЫПУСКНАЯ СИСТЕМА/ЗАДНЯЯ ЧАСТЬ (LSY/2.0-4, ЗА ИСКЛЮЧЕНИЕМ ПОЛНОГО ПРИВОДА F48)
Запчасти
ВЫПУСКНАЯ СИСТЕМА/ЗАДНЯЯ ЧАСТЬ (LSY/2.0-4, ПОЛНЫЙ ПРИВОД F48)
ВЫПУСКНАЯ СИСТЕМА/ЗАДНЯЯ ЧАСТЬ (LSY/2.0-4, ПОЛНЫЙ ПРИВОД F48)
Запчасти
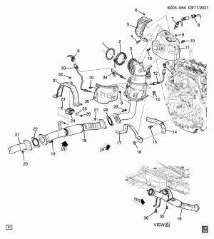
ВЫПУСКНАЯ СИСТЕМА/ПЕРЕДНЯЯ ЧАСТЬ (LSQ/2.0-2, ЗА ИСКЛЮЧЕНИЕМ ПОЛНОГО ПРИВОДА F48)
ВЫПУСКНАЯ СИСТЕМА/ПЕРЕДНЯЯ ЧАСТЬ (LSQ/2.0-2, ЗА ИСКЛЮЧЕНИЕМ ПОЛНОГО ПРИВОДА F48)
Запчасти
ВЫПУСКНАЯ СИСТЕМА/ПЕРЕДНЯЯ ЧАСТЬ (LSQ/2.0-2, ПОЛНЫЙ ПРИВОД F48)
ВЫПУСКНАЯ СИСТЕМА/ПЕРЕДНЯЯ ЧАСТЬ (LSQ/2.0-2, ПОЛНЫЙ ПРИВОД F48)
Запчасти
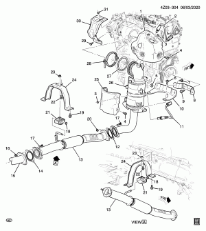
ВЫПУСКНАЯ СИСТЕМА/ПЕРЕДНЯЯ ЧАСТЬ (LSY/2.0-4, EMISSIONS NCL,NM9, ЗА ИСКЛЮЧЕНИЕМ ПОЛНОГО ПРИВОДА F48)
ВЫПУСКНАЯ СИСТЕМА/ПЕРЕДНЯЯ ЧАСТЬ (LSY/2.0-4, EMISSIONS NCL,NM9, ЗА ИСКЛЮЧЕНИЕМ ПОЛНОГО ПРИВОДА F48)
Запчасти
ВЫПУСКНАЯ СИСТЕМА/ПЕРЕДНЯЯ ЧАСТЬ (LSY/2.0-4, ЗА ИСКЛЮЧЕНИЕМ ПОЛНОГО ПРИВОДА F48, ВЫПУСКНАЯ СИСТЕМА NCL,NM9)
ВЫПУСКНАЯ СИСТЕМА/ПЕРЕДНЯЯ ЧАСТЬ (LSY/2.0-4, ЗА ИСКЛЮЧЕНИЕМ ПОЛНОГО ПРИВОДА F48, ВЫПУСКНАЯ СИСТЕМА NCL,NM9)
Запчасти
ВЫПУСКНАЯ СИСТЕМА/ПЕРЕДНЯЯ ЧАСТЬ (LSY/2.0-4, ПОЛНЫЙ ПРИВОД F48, ВЫПУСКНАЯ СИСТЕМА NCL,NM9)
ВЫПУСКНАЯ СИСТЕМА/ПЕРЕДНЯЯ ЧАСТЬ (LSY/2.0-4, ПОЛНЫЙ ПРИВОД F48, ВЫПУСКНАЯ СИСТЕМА NCL,NM9)
Запчасти
ВЫПУСКНАЯ СИСТЕМА/ПЕРЕДНЯЯ ЧАСТЬ (LSY/2.0-4, ПОЛНЫЙ ПРИВОД F48, ЗА ИСКЛЮЧЕНИЕМ ВЫПУСКНОЙ СИСТЕМЫ NCL,NM9)
ВЫПУСКНАЯ СИСТЕМА/ПЕРЕДНЯЯ ЧАСТЬ (LSY/2.0-4, ПОЛНЫЙ ПРИВОД F48, ЗА ИСКЛЮЧЕНИЕМ ВЫПУСКНОЙ СИСТЕМЫ NCL,NM9)
Запчасти
ЗАЛИВНЫЕ ТРУБЫ И ШЛАНГИ ТОПЛИВНОГО БАКА (LSQ/2.0-2)
ЗАЛИВНЫЕ ТРУБЫ И ШЛАНГИ ТОПЛИВНОГО БАКА (LSQ/2.0-2)
Запчасти
ЗАЛИВНЫЕ ТРУБЫ И ШЛАНГИ ТОПЛИВНОГО БАКА (LSY/2.0-4)
ЗАЛИВНЫЕ ТРУБЫ И ШЛАНГИ ТОПЛИВНОГО БАКА (LSY/2.0-4)
Запчасти
КОНТРОЛЬ ТОКСИЧНОСТИ ВЫХЛОПНЫХ ГАЗОВ/ДАТЧИКИ ОКСИДА КИСЛОРОДА (LSQ/2.0-2, ЗА ИСКЛЮЧЕНИЕМ ПОЛНОГО ПРИВОДА F48)
КОНТРОЛЬ ТОКСИЧНОСТИ ВЫХЛОПНЫХ ГАЗОВ/ДАТЧИКИ ОКСИДА КИСЛОРОДА (LSQ/2.0-2, ЗА ИСКЛЮЧЕНИЕМ ПОЛНОГО ПРИВОДА F48)
Запчасти
КОНТРОЛЬ ТОКСИЧНОСТИ ВЫХЛОПНЫХ ГАЗОВ/ДАТЧИКИ ОКСИДА КИСЛОРОДА (LSQ/2.0-2, ПОЛНЫЙ ПРИВОД F48)
КОНТРОЛЬ ТОКСИЧНОСТИ ВЫХЛОПНЫХ ГАЗОВ/ДАТЧИКИ ОКСИДА КИСЛОРОДА (LSQ/2.0-2, ПОЛНЫЙ ПРИВОД F48)
Запчасти
МАГИСТРАЛЬ ТОПЛИВНЫХ ФОРСУНОК (LSQ/2.0-2)
МАГИСТРАЛЬ ТОПЛИВНЫХ ФОРСУНОК (LSQ/2.0-2)
Запчасти
МАГИСТРАЛЬ ТОПЛИВНЫХ ФОРСУНОК (LSY/2.0-4)
МАГИСТРАЛЬ ТОПЛИВНЫХ ФОРСУНОК (LSY/2.0-4)
Запчасти
МОНТАЖ ТОПЛИВНОГО БАКА (LSQ/2.0-2, ЗА ИСКЛЮЧЕНИЕМ ПОЛНОГО ПРИВОДА F48)
МОНТАЖ ТОПЛИВНОГО БАКА (LSQ/2.0-2, ЗА ИСКЛЮЧЕНИЕМ ПОЛНОГО ПРИВОДА F48)
Запчасти
МОНТАЖ ТОПЛИВНОГО БАКА (LSQ/2.0-2, ПОЛНЫЙ ПРИВОД F48)
МОНТАЖ ТОПЛИВНОГО БАКА (LSQ/2.0-2, ПОЛНЫЙ ПРИВОД F48)
Запчасти
МОНТАЖ ТОПЛИВНОГО БАКА (LSY/2.0-4, ЗА ИСКЛЮЧЕНИЕМ ПОЛНОГО ПРИВОДА F48)
МОНТАЖ ТОПЛИВНОГО БАКА (LSY/2.0-4, ЗА ИСКЛЮЧЕНИЕМ ПОЛНОГО ПРИВОДА F48)
Запчасти
МОНТАЖ ТОПЛИВНОГО БАКА (LSY/2.0-4, ПОЛНЫЙ ПРИВОД F48)
МОНТАЖ ТОПЛИВНОГО БАКА (LSY/2.0-4, ПОЛНЫЙ ПРИВОД F48)
Запчасти
МОНТАЖ ТУРБОКОМПРЕССОРА (LSQ/2.0-2)
МОНТАЖ ТУРБОКОМПРЕССОРА (LSQ/2.0-2)
Запчасти
СИСТЕМА ВПРЫСКА ТОПЛИВА ПОДАЮЩИЙ ТОПЛИВОПРОВОД (LSQ/2.0-2)
СИСТЕМА ВПРЫСКА ТОПЛИВА ПОДАЮЩИЙ ТОПЛИВОПРОВОД (LSQ/2.0-2)
Запчасти
СИСТЕМА ОХЛАЖДЕНИЯ ТУРБОНАГНЕТАТЕЛЯ (LSY/2.0-4)
СИСТЕМА ОХЛАЖДЕНИЯ ТУРБОНАГНЕТАТЕЛЯ (LSY/2.0-4)
Запчасти
СИСТЕМА ПОДАЧИ ТОПЛИВА (LSQ/2.0-2, ЗА ИСКЛЮЧЕНИЕМ ПОЛНОГО ПРИВОДА F48)
СИСТЕМА ПОДАЧИ ТОПЛИВА (LSQ/2.0-2, ЗА ИСКЛЮЧЕНИЕМ ПОЛНОГО ПРИВОДА F48)
Запчасти
СИСТЕМА ПОДАЧИ ТОПЛИВА (LSQ/2.0-2, ПОЛНЫЙ ПРИВОД F48)
СИСТЕМА ПОДАЧИ ТОПЛИВА (LSQ/2.0-2, ПОЛНЫЙ ПРИВОД F48)
Запчасти
СИСТЕМА ПОДАЧИ ТОПЛИВА (LSY/2.0-4, ЗА ИСКЛЮЧЕНИЕМ ПОЛНОГО ПРИВОДА F48)
СИСТЕМА ПОДАЧИ ТОПЛИВА (LSY/2.0-4, ЗА ИСКЛЮЧЕНИЕМ ПОЛНОГО ПРИВОДА F48)
Запчасти
СИСТЕМА ПОДАЧИ ТОПЛИВА (LSY/2.0-4, ПОЛНЫЙ ПРИВОД F48)
СИСТЕМА ПОДАЧИ ТОПЛИВА (LSY/2.0-4, ПОЛНЫЙ ПРИВОД F48)
Запчасти
СИСТЕМА ПРОМЕЖУТОЧНОГО ОХЛАДИТЕЛЯ ТУРБОНАГНЕТАТЕЛЯ (LSQ/2.0-2)
СИСТЕМА ПРОМЕЖУТОЧНОГО ОХЛАДИТЕЛЯ ТУРБОНАГНЕТАТЕЛЯ (LSQ/2.0-2)
Запчасти
СИСТЕМА ПРОМЕЖУТОЧНОГО ОХЛАДИТЕЛЯ ТУРБОНАГНЕТАТЕЛЯ (LSY/2.0-4)
СИСТЕМА ПРОМЕЖУТОЧНОГО ОХЛАДИТЕЛЯ ТУРБОНАГНЕТАТЕЛЯ (LSY/2.0-4)
Запчасти
СИСТЕМА СМАЗКИ ТУРБОКОМПРЕССОРА (LSQ/2.0-2)
СИСТЕМА СМАЗКИ ТУРБОКОМПРЕССОРА (LSQ/2.0-2)
Запчасти
СИСТЕМА СМАЗКИ ТУРБОКОМПРЕССОРА (LSY/2.0-4)
СИСТЕМА СМАЗКИ ТУРБОКОМПРЕССОРА (LSY/2.0-4)
Запчасти
СИСТЕМА СНИЖЕНИЯ ТОКСИЧНОСТИ ВЫХЛОПНЫХ ГАЗОВ ПОДАЧА (LSQ/2.0-2, ЗА ИСКЛЮЧЕНИЕМ ПОЛНОГО ПРИВОДА F48)
СИСТЕМА СНИЖЕНИЯ ТОКСИЧНОСТИ ВЫХЛОПНЫХ ГАЗОВ ПОДАЧА (LSQ/2.0-2, ЗА ИСКЛЮЧЕНИЕМ ПОЛНОГО ПРИВОДА F48)
Запчасти
СИСТЕМА СНИЖЕНИЯ ТОКСИЧНОСТИ ВЫХЛОПНЫХ ГАЗОВ ПОДАЧА (LSQ/2.0-2, ПОЛНЫЙ ПРИВОД F48)
СИСТЕМА СНИЖЕНИЯ ТОКСИЧНОСТИ ВЫХЛОПНЫХ ГАЗОВ ПОДАЧА (LSQ/2.0-2, ПОЛНЫЙ ПРИВОД F48)
Запчасти
ТЕПЛОЗАЩИТНЫЕ ЩИТКИ/ВЫПУСК (LSQ/2.0-2)
ТЕПЛОЗАЩИТНЫЕ ЩИТКИ/ВЫПУСК (LSQ/2.0-2)
Запчасти
ТЕПЛОЗАЩИТНЫЕ ЩИТКИ/ВЫПУСК (LSY/2.0-4, ЗА ИСКЛЮЧЕНИЕМ РЫНКОВ MAS, MBM, MBR)
ТЕПЛОЗАЩИТНЫЕ ЩИТКИ/ВЫПУСК (LSY/2.0-4, ЗА ИСКЛЮЧЕНИЕМ РЫНКОВ MAS, MBM, MBR)
Запчасти
ТЕПЛОЗАЩИТНЫЕ ЩИТКИ/ВЫПУСК (LSY/2.0-4, РЫНКИ MAS,MBM,MBR)
ТЕПЛОЗАЩИТНЫЕ ЩИТКИ/ВЫПУСК (LSY/2.0-4, РЫНКИ MAS,MBM,MBR)
Запчасти
ТОПЛИВНЫЙ БАК (LSQ/2.0-2, ЗА ИСКЛЮЧЕНИЕМ ПОЛНОГО ПРИВОДА F48)
ТОПЛИВНЫЙ БАК (LSQ/2.0-2, ЗА ИСКЛЮЧЕНИЕМ ПОЛНОГО ПРИВОДА F48)
Запчасти
ТОПЛИВНЫЙ БАК (LSQ/2.0-2, ПОЛНЫЙ ПРИВОД F48)
ТОПЛИВНЫЙ БАК (LSQ/2.0-2, ПОЛНЫЙ ПРИВОД F48)
Запчасти
ТОПЛИВНЫЙ БАК И АДСОРБЕР ПАРОВ ТОПЛИВА (LSY/2.0-4, КРОМЕ ПОЛНОГО ПРИВОДА F48)
ТОПЛИВНЫЙ БАК И АДСОРБЕР ПАРОВ ТОПЛИВА (LSY/2.0-4, КРОМЕ ПОЛНОГО ПРИВОДА F48)
Запчасти
ТОПЛИВНЫЙ БАК И АДСОРБЕР ПАРОВ ТОПЛИВА (LSY/2.0-4, ПОЛНЫЙ ПРИВОД F48)
ТОПЛИВНЫЙ БАК И АДСОРБЕР ПАРОВ ТОПЛИВА (LSY/2.0-4, ПОЛНЫЙ ПРИВОД F48)
Запчасти
ТУРБОНАГНЕТАТЕЛЬ УЗЕЛ (LSQ/2.0-2)
ТУРБОНАГНЕТАТЕЛЬ УЗЕЛ (LSQ/2.0-2)
Запчасти
ТУРБОНАГНЕТАТЕЛЬ УЗЕЛ (LSY/2.0-4)
ТУРБОНАГНЕТАТЕЛЬ УЗЕЛ (LSY/2.0-4)
Запчасти
УПРАВЛЕНИЕ АКСЕЛЕРАТОРОМ
УПРАВЛЕНИЕ АКСЕЛЕРАТОРОМ
Раздел
ЭЛЕКТРОННЫЙ БЛО УПРАВЛЕНИЯ И СВЯЗАННЫЕ ДЕТАЛИ (LSQ/2.0-2)
ЭЛЕКТРОННЫЙ БЛО УПРАВЛЕНИЯ И СВЯЗАННЫЕ ДЕТАЛИ (LSQ/2.0-2)
Запчасти
ЭЛЕКТРОННЫЙ БЛО УПРАВЛЕНИЯ И СВЯЗАННЫЕ ДЕТАЛИ (LSY/2.0-4)
ЭЛЕКТРОННЫЙ БЛО УПРАВЛЕНИЯ И СВЯЗАННЫЕ ДЕТАЛИ (LSY/2.0-4)
Запчасти