CTS V-Series
ВСПОМОГАТЕЛЬНЫЙ КОМПЛЕКТ (С УСТАНОВКОЙ ДИЛЕРОМ, ЗАЩИТНЫЙ КОМПЛЕКТ 5AZ)
Запчасти
ВСПОМОГАТЕЛЬНЫЙ КОМПЛЕКТ (С УСТАНОВКОЙ ДИЛЕРОМ, КОМПЛЕКТ БЕЗОПАСНОСТИ НА ШОССЕЙНЫХ ДОРОГАХ S08)
Запчасти
ВСПОМОГАТЕЛЬНЫЙ КОМПЛЕКТ (УСТАНОВЛЕНО ДИЛЕРОМ, РЫНОК MAH, КОМПЛЕКТ ПЕРВОЙ МЕДИЦИНСКОЙ ПОМОЩИ RYT, НАДПИСЬ CADILLAC)
Запчасти
ВСПОМОГАТЕЛЬНЫЙ КОМПЛЕКТ/БЕЗОПАСНОСТЬ (УСТАНОВЛЕНО ДИЛЕРОМ, РЫНОК MAH, БЕЗОПАСНОСТЬ S08, НАДПИСЬ CADILLAC)
Запчасти
ИНСТРУМЕНТ ОТДЕЛЕНИЯ ДЛЯ ВЕЩЕЙ
Запчасти
КАПОТ (ЗАЩИТА ПЕШЕХОДОВ B3T)
Запчасти
КАПОТ (КРОМЕ ЗАЩИТЫ ПЕШЕХОДОВ B3T)
Запчасти
КРАСКА/TOUCH-UP
Запчасти
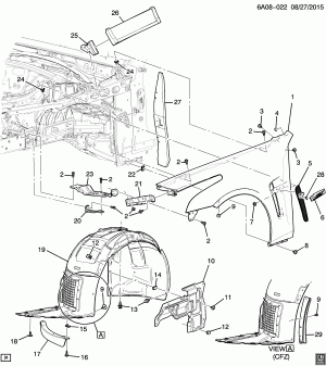
КРЫЛО И КОЛЕСНАЯ АРКА/ПЕРЕДНЯЯ ЧАСТЬ
Запчасти
ОБСЛУЖИВАНИЕ АВТОМОБИЛЯ
Запчасти
ШЛАНГИ И ТРУБКИ/ОБОГРЕВАТЕЛЬ (LT4/6.2-6)
Запчасти
ЩИТОК/МОТОРНЫЙ ОТСЕК
Запчасти
ЭТИКЕТКИ
Запчасти