catbyvin

XT4 (AWD) (2019 - 2021)

БЛОК РЕГУЛИРОВАНИЯ РАСХОДА ТОПЛИВА
БЛОК РЕГУЛИРОВАНИЯ РАСХОДА ТОПЛИВА
Запчасти
ВПУСКНАЯ ВОЗДУШНАЯ СИСТЕМА (LSY/2.0-4)
ВПУСКНАЯ ВОЗДУШНАЯ СИСТЕМА (LSY/2.0-4)
Запчасти
ВЫПУСКНАЯ СИСТЕМА/ЗАДНЯЯ ЧАСТЬ (LSY/2.0-4, ПОЛНЫЙ ПРИВОД F48)
ВЫПУСКНАЯ СИСТЕМА/ЗАДНЯЯ ЧАСТЬ (LSY/2.0-4, ПОЛНЫЙ ПРИВОД F48)
Запчасти
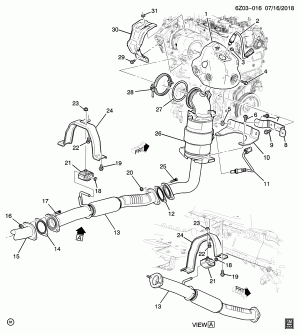
ВЫПУСКНАЯ СИСТЕМА/ПЕРЕДНЯЯ ЧАСТЬ (LSY/2.0-4, ПОЛНЫЙ ПРИВОД F48)
ВЫПУСКНАЯ СИСТЕМА/ПЕРЕДНЯЯ ЧАСТЬ (LSY/2.0-4, ПОЛНЫЙ ПРИВОД F48)
Запчасти
ЗАЛИВНЫЕ ТРУБЫ И ШЛАНГИ ТОПЛИВНОГО БАКА
ЗАЛИВНЫЕ ТРУБЫ И ШЛАНГИ ТОПЛИВНОГО БАКА
Запчасти
МАГИСТРАЛЬ ТОПЛИВНЫХ ФОРСУНОК (LSY/2.0-4)
МАГИСТРАЛЬ ТОПЛИВНЫХ ФОРСУНОК (LSY/2.0-4)
Запчасти
МОНТАЖ ТОПЛИВНОГО БАКА (LSY/2.0-4, ПОЛНЫЙ ПРИВОД F48)
МОНТАЖ ТОПЛИВНОГО БАКА (LSY/2.0-4, ПОЛНЫЙ ПРИВОД F48)
Запчасти
СИСТЕМА ОХЛАЖДЕНИЯ ТУРБОНАГНЕТАТЕЛЯ (LSY/2.0-4)
СИСТЕМА ОХЛАЖДЕНИЯ ТУРБОНАГНЕТАТЕЛЯ (LSY/2.0-4)
Запчасти
СИСТЕМА ПОДАЧИ ТОПЛИВА (LSY/2.0-4, ПОЛНЫЙ ПРИВОД F48)
СИСТЕМА ПОДАЧИ ТОПЛИВА (LSY/2.0-4, ПОЛНЫЙ ПРИВОД F48)
Запчасти
СИСТЕМА ПРОМЕЖУТОЧНОГО ОХЛАДИТЕЛЯ ТУРБОНАГНЕТАТЕЛЯ (LSY/2.0-4)
СИСТЕМА ПРОМЕЖУТОЧНОГО ОХЛАДИТЕЛЯ ТУРБОНАГНЕТАТЕЛЯ (LSY/2.0-4)
Запчасти
СИСТЕМА СМАЗКИ ТУРБОКОМПРЕССОРА (LSY/2.0-4)
СИСТЕМА СМАЗКИ ТУРБОКОМПРЕССОРА (LSY/2.0-4)
Запчасти
ТЕПЛОЗАЩИТНЫЕ ЩИТКИ/ВЫПУСК
ТЕПЛОЗАЩИТНЫЕ ЩИТКИ/ВЫПУСК
Запчасти
ТОПЛИВНЫЙ БАК И АДСОРБЕР ПАРОВ ТОПЛИВА (LSY/2.0-4, ПОЛНЫЙ ПРИВОД F48)
ТОПЛИВНЫЙ БАК И АДСОРБЕР ПАРОВ ТОПЛИВА (LSY/2.0-4, ПОЛНЫЙ ПРИВОД F48)
Запчасти
ТУРБОНАГНЕТАТЕЛЬ УЗЕЛ (LSY/2.0-4)
ТУРБОНАГНЕТАТЕЛЬ УЗЕЛ (LSY/2.0-4)
Запчасти
УПРАВЛЕНИЕ АКСЕЛЕРАТОРОМ
УПРАВЛЕНИЕ АКСЕЛЕРАТОРОМ
Запчасти
ЭЛЕКТРОННЫЙ БЛО УПРАВЛЕНИЯ И СВЯЗАННЫЕ ДЕТАЛИ (LSY/2.0-4)
ЭЛЕКТРОННЫЙ БЛО УПРАВЛЕНИЯ И СВЯЗАННЫЕ ДЕТАЛИ (LSY/2.0-4)
Запчасти