Hearse / Limousine (1997 - 1997)
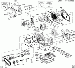
AUTOMATIC TRANSMISSION (MH1) PART 1 HM 4T80-E CASE & RELATED PARTS
Запчасти
AUTOMATIC TRANSMISSION (MH1) PART 2 HM 4T80-E INTERNAL POWER TRAIN PARTS
Запчасти
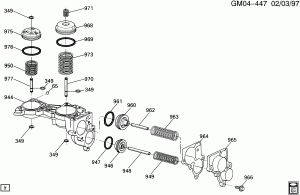
AUTOMATIC TRANSMISSION (MH1) PART 3 HM 4T80-E OIL PUMP ASSEMBLIES
Запчасти
AUTOMATIC TRANSMISSION (MH1) PART 4 HM 4T80-E UPPER CONTROL VALVE ASSEMBLY
Запчасти
AUTOMATIC TRANSMISSION (MH1) PART 5 HM 4T80-E LOWER CONTROLS
Запчасти
AUTOMATIC TRANSMISSION (MH1) PART 6 HM 4T80-E LOWER CONTROL VALVE ASSEMBLY
Запчасти
AUTOMATIC TRANSMISSION (MH1) PART 7 HM 4T80-E ACCUMULATOR ASSEMBLY
Запчасти
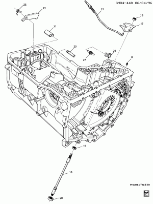
AUTOMATIC TRANSMISSION (MH1) PART 8 HM 4T80-E CASE & PARKING PAWL
Запчасти
AUTOMATIC TRANSMISSION OIL COOLER PIPES W/INDICATOR(LD8/4.6Y,L37/4.6-9)
Запчасти
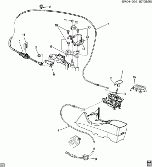
SHIFT CONTROL/AUTOMATIC TRANSMISSION COLUMN(EXC (D55))
Запчасти
SHIFT CONTROL/AUTOMATIC TRANSMISSION FLOOR(D55)
Запчасти