Hearse / Limousine (1997 - 1997)
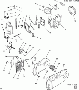
A/C & HEATER MODULE ASM
Запчасти
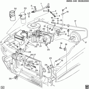
A/C COMPRESSOR ASM/HD6
Запчасти
A/C COMPRESSOR MOUNTING
Запчасти
A/C CONTROL SYSTEM
Раздел
A/C REFRIGERATION SYSTEM
Запчасти
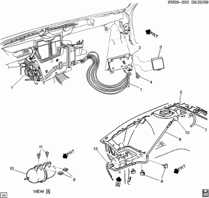
A/C VACUUM HOSE SYSTEM
Запчасти
AIR DISTRIBUTION SYSTEM
Раздел
AIR DISTRIBUTOR
Запчасти
AIR INLET
Запчасти
ANTENNA ELECTRIC-REAR
Раздел
AUDIO SYSTEM
Раздел
AUXILIARY A/C BLOWER ASM
Запчасти
AUXILIARY REAR BLOWER ASM (EXECUTIVE PACKAGE-V4M)
Запчасти
BODY MOUNTING
Запчасти