cat
by
vin
Найти
Каталоги
Главная
CHEVROLET · Sprint (1989 - 1991)
Узел
Sprint (1989 - 1991)
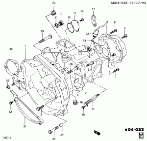
5-SPEED MANUAL TRANSAXLECASE(MM5)
Запчасти
5-SPEED MANUAL TRANSAXLEGEARS
Запчасти
DIFFERENTIAL AND SPEEDO GEAR
Запчасти
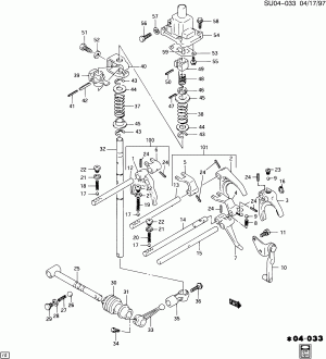
SHIFT CONTROLS/MANUAL TRANSMISSION (MM5)
Запчасти
SHIFT CONTROLS/MANUAL TRANSMISSION GEARSHIFT FORK(MM5)
Запчасти