Caprice
BODY SHEET METAL
Раздел
MOLDING CLIPS AND RETAINERS
Раздел
MOLDINGS CLIPS AND RETAINERS
Запчасти
REAR MOLDINGS
Раздел
REAR MOLDINGS (W/FULL VINYL)
Запчасти
ROOF TOP LUGGAGE CARRIER
Запчасти
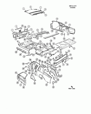
SHEET METAL/BODY
Раздел
SIDE MOLDINGS
Раздел
SIDE MOLDINGS (B84)
Запчасти
SIDE MOLDINGS (W/CB7)
Запчасти
SIDE MOLDINGS (W/CO9 OR D99)
Запчасти
SIDE MOLDINGS (W/WOOD GRAIN)
Запчасти
SLIDING SUNROOF
Запчасти
STRIPES (W/D84 OPTION)
Запчасти
STRIPES (W/D85 OPTION)
Запчасти
TAILGATE HARDWARE
Запчасти