Swift SF413, -2
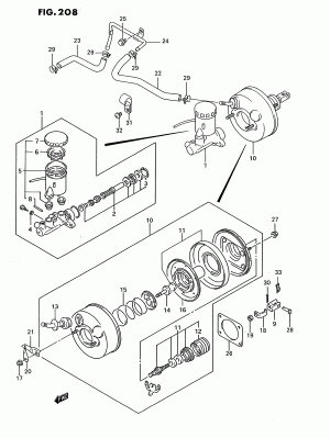
BK MASTER CYLINDER (GL, GS, GLX:RHD)
Запчасти
BK MASTER CYLINDER (GL, GS, SDX, GLX:LHD)
Запчасти
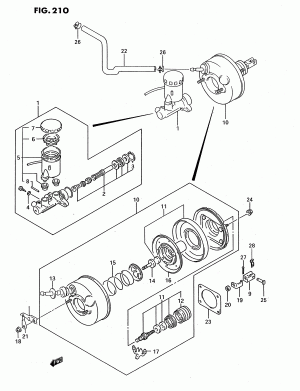
BK MASTER CYLINDER (GTI:LHD)
Запчасти
BK MASTER CYLINDER (GTI:RHD)
Запчасти
BRAKE PIPING (2DR, 2WD:LHD:3DR, 5DR)
Запчасти
BRAKE PIPING (2WD:LHD:4DR)
Запчасти
BRAKE PIPING (2WD:RHD:3DR, 5DR)
Запчасти
BRAKE PIPING (2WD:RHD:4DR)
Запчасти
BRAKE PIPING (2WD:RHD:4DR:E02, E68)
Запчасти
BRAKE PIPING (4WD:LHD)
Запчасти
BRAKE PIPING (SEE NOTE)
Запчасти
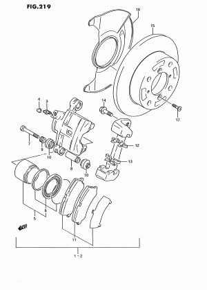
FRONT BRAKE CALIPER (GL, GS, GLX)
Запчасти
FRONT BRAKE CALIPER (GL, GS, SDX, GLX:SEE NOTE)
Запчасти
FRONT BRAKE CALIPER (GTI)
Запчасти
PARKING BRAKE (GL, GS, SDX, GLX)
Запчасти
PARKING BRAKE (GTI)
Запчасти
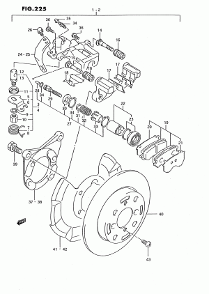
REAR BRAKE DISK (GTI)
Запчасти
REAR BRAKE DRUM (2DR, 2WD:3DR, 5DR:GL, GS, GLX)
Запчасти
REAR BRAKE DRUM (2WD:4DR)
Запчасти
REAR BRAKE DRUM (4WD)
Запчасти