Silverado / Sierra / Cheyenne Light Duty - 03, 43, 53 Bodystyle (4WD)(New Model) *** VIN REQUIRED *** (2019 - 2019)
ДВИГАТЕЛЬ В СБОРЕ-4.3L V6 PART 1 БЛОК ЦИЛИНДРОВ И СОПРЯЖЕННЫЕ ДЕТАЛИ (LV3/4.3H)
Запчасти
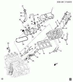
ДВИГАТЕЛЬ В СБОРЕ-4.3L V6 PART 2 ГОЛОВКА ЦИЛИНДРОВ И СОПРЯЖЕННЫЕ ДЕТАЛИ (LV3/4.3H)
Запчасти
ДВИГАТЕЛЬ В СБОРЕ-4.3L V6 PART 3 ПЕРЕДНЯЯ КРЫШКА И ОХЛАЖДЕНИЕ (LV3/4.3H)
Запчасти
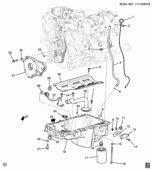
ДВИГАТЕЛЬ В СБОРЕ-4.3L V6 PART 4 МАСЛЯНЫЙ НАСОС,ПОДДОН И СОПРЯЖЕННЫЕ ДЕТАЛИ (LV3/4.3H)
Запчасти
ДВИГАТЕЛЬ В СБОРЕ-4.3L V6 PART 5 КОЛЛЕКТОР И СОПРЯЖЕННЫЕ ДЕТАЛИ ТОПЛИВНОЙ СИСТЕМЫ (LV3/4.3H)
Запчасти
ДВИГАТЕЛЬ В СБОРЕ И ЧАСТЬ ДВИГАТЕЛЯ (LV3/4.3H)
Запчасти
КРЕПЛЕНИЕ ДВИГАТЕЛЯ И КОРОБКИ ПЕРЕДАЧ (LV3/4.3H, АВТОМАТИЧЕСКАЯ MYC)
Запчасти
КРЕПЛЕНИЕ ДВИГАТЕЛЯ К КОРОБКЕ ПЕРЕДАЧ (LV3/4.3H, АВТОМАТИЧЕСКАЯ MYC)
Запчасти