cat
by
vin
Найти
Каталоги
Главная
CHEVROLET · Carry / Super Carry SK410, -2
Узел
Carry / Super Carry SK410, -2
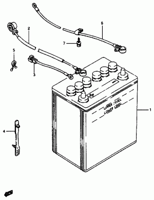
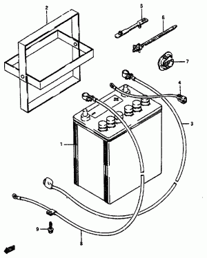
BATTERY (T, K)
Запчасти
BATTERY (V)
Запчасти
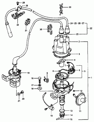
DISTRIBUTOR
Запчасти
DISTRIBUTOR (E18, E22, E25, E39:W/CATALYZER)
Запчасти
GENERATOR
Запчасти
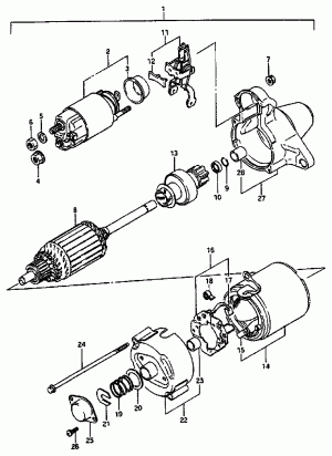
STARTING MOTOR (SEE NOTE)
Запчасти
STARTING MOTOR (SEE NOTE 1)
Раздел