K2500 PICKUP 4WD
SHIFT CONTROLS/TRANSFER CASE (EXC NP1)
Запчасти
SHIFT CONTROLS/TRANSFER CASE (NP1)
Запчасти
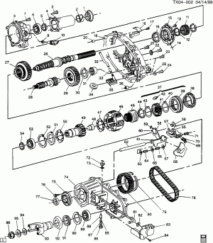
TRANSFER CASE (ELECTRONIC SHIFT NP1)(NEW PROCESS /NEW VENTURE GEAR 243C)
Запчасти
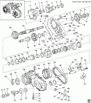
TRANSFER CASE (EXC ELECTRONIC SHIFT NP1)(NEW PROCESS/NEW VENTURE GEAR 241C)
Запчасти
TRANSFER CASE ADAPTER
Запчасти
TRANSFER CASE ADAPTER& VENT HOSE
Запчасти