Uplander - Extended wheelbase (2WD)
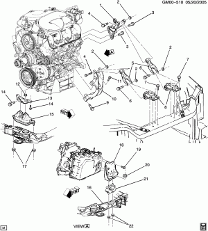
ENGINE & TRANSAXLE MOUNTING (LZ9/3.9-1,LGD/3.9W)
Запчасти
ENGINE ASM & PARTIAL ENGINE (LZ9/3.9-1,LGD/3.9W)
Запчасти
ENGINE ASM-3.9L V6 PART 1 CYLINDER BLOCK AND RELATED PARTS (LZ9/3.9-1,LGD/3.9W)
Запчасти
ENGINE ASM-3.9L V6 PART 2 CYLINDER HEAD AND RELATED PARTS (LZ9/3.9-1,LGD/3.9W)
Запчасти
ENGINE ASM-3.9L V6 PART 3 FRONT COVER AND COOLING (LZ9/3.9-1,LGD/3.9W)
Запчасти
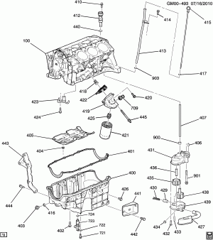
ENGINE ASM-3.9L V6 PART 4 OIL PUMP,PAN AND RELATED PARTS (LZ9/3.9-1,LGD/3.9W)
Запчасти
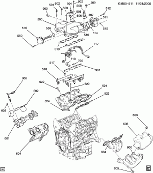
ENGINE ASM-3.9L V6 PART 5 MANIFOLDS & FUEL RELATED PARTS (LZ9/3.9-1,LGD/3.9W)
Запчасти
ENGINE TO TRANSMISSION MOUNTING (LZ9/3.9-1,LGD/3.9W)
Запчасти
INTAKE MANIFOLD SHIELD/COVERS (LZ9/3.9-1,LGD/3.9W)
Запчасти