Chevette (1982 - 1987)
STEERING ASM/RACK & PINION-MANUAL
Запчасти
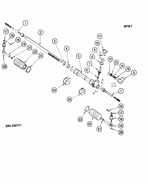
STEERING ASM/RACK & PINION-POWER
Запчасти
STEERING COLUMN/STANDARD (F/S, A.T.)
Запчасти
STEERING COLUMN/TILT (F/S, A.T.)
Запчасти
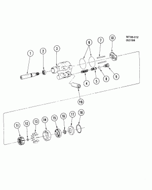
STEERING PUMP ASM
Запчасти
STEERING PUMP MOUNTING & HOSES-1.8L L4 (LJ5/1.8D) (DIESEL)
Запчасти
STEERING PUMP MOUNTING-1.6L L4 (L17/1.6C)
Запчасти
STEERING SYSTEM & RELATED PARTS
Запчасти
STEERING WHEEL & HORN PARTS
Запчасти
SUSPENSION/FRONT
Запчасти