SPARK (2016 - 2022)
AUTOMATIC TRANSMISSION (MR8) ASSEMBLY
Запчасти
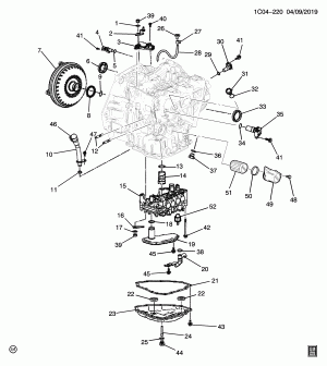
AUTOMATIC TRANSMISSION (MR8) CASE & RELATED PARTS
Запчасти
AUTOMATIC TRANSMISSION (MR8) OIL COOLER PIPES
Запчасти
AUTOMATIC TRANSMISSION/AUXILLARY FLUID PUMP (MR8, ENGINE CONTROL KL9)
Запчасти
SHIFT CONTROL/AUTOMATIC TRANSMISSION (MR8)
Запчасти
T.C.M. MODULE (MR8)
Запчасти