CAPTIVA (2011 - 2018)
COMPARTMENT/REAR STORAGE
Запчасти
SEAT ASM/REAR #2 (3RD ROW) MOUNTING
Запчасти
SEAT ASM/REAR #2 (3RD ROW) SEAT PARTS
Запчасти
SEAT ASM/REAR 40%(N/TUMBLE, EXC HEATED KA6)
Запчасти
SEAT ASM/REAR 40%(N/TUMBLE, HEATED KA6)
Запчасти
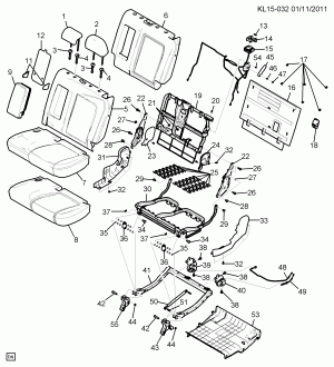
SEAT ASM/REAR 40%(TUMBLE)
Запчасти
SEAT ASM/REAR 40% MOUNTING
Запчасти
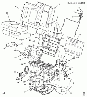
SEAT ASM/REAR 60%-SEAT PARTS(ILLUMINATED B7G, EXC FOLDING BACK AM9)
Запчасти
SEAT ASM/REAR 60%-SEAT PARTS (SPLIT BACK AM9)
Запчасти
SEAT ASM/REAR 60% MOUNTING
Запчасти
TRIM/QUARTER
Запчасти