cat
by
vin
Найти
Каталоги
Главная
DODGE · MMC RAIDER PICKUP
Узел
MMC RAIDER PICKUP
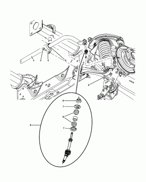
STABILIZER BAR,FRONT
Запчасти
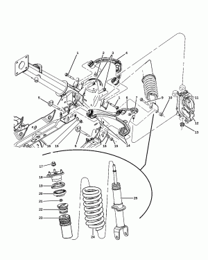
SUSPENSION,FRONT,CONTROL ARMS,SPRING,SHOCK,KNUCKLE
Запчасти