FORD
4R70W TYPE - EXTERNAL PARTS-Steering column for column shift - tilt wheel - Page A
Запчасти
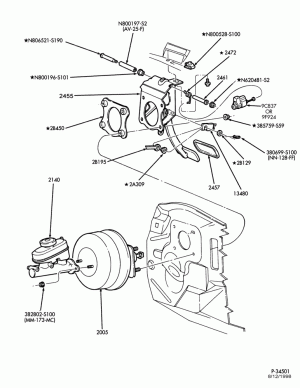
BRAKES-Brake pedal & booster installation
Запчасти
BRAKES-Brake pedal & booster installation - adjustable
Запчасти
BRAKES-Parking brake system - Page A
Запчасти
BRAKES-Parking brake system - Page B
Запчасти
CHOKE, ACCELERATOR AND SPEED CONTROL-Speed control - passenger compartment - Page B
Запчасти
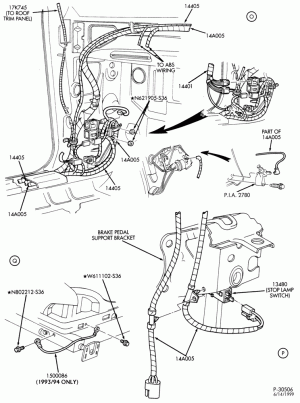
ELECTRICAL SYSTEMS-Wiring system - body - Page F
Запчасти