FORD
BRAKES-Anti-lock brake sensors - rear
Запчасти
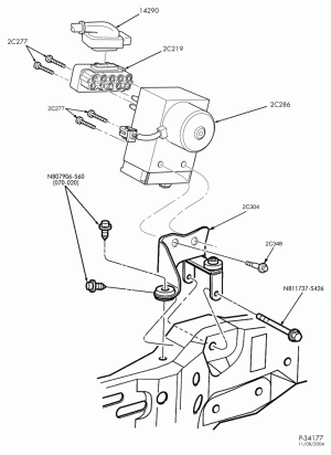
BRAKES-Brake anti-lock control details - with traction control
Запчасти
BRAKES-Brake assembly - disc front - with anti-lock
Запчасти
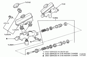
BRAKES-Brake master cylinder assembly
Запчасти
BRAKES-Brake pedal & booster installation
Запчасти
BRAKES-Brake pedal & booster installation - adjustable
Запчасти
BRAKES-Disc brake system - rear disc - with anti-lock & traction control - Page A
Запчасти
CHOKE, ACCELERATOR AND SPEED CONTROL-Speed control - passenger compartment - Page B
Запчасти
ELECTRICAL SYSTEMS-Wiring system - body - Page F
Запчасти