catbyvin

PROBE

4 CYL. 2.2L (134 C.I.D.)-Turbocharger (TC) Instal.
4 CYL. 2.2L (134 C.I.D.)-Turbocharger (TC) Instal.
Запчасти
AOT TYPE - EXTERNAL PARTS--DT
AOT TYPE - EXTERNAL PARTS--DT
Запчасти
AOT TYPE - EXTERNAL PARTS-EXTERNAL PARTS- transmission shift controls-A,MA
AOT TYPE - EXTERNAL PARTS-EXTERNAL PARTS- transmission shift controls-A,MA
Запчасти
ATX TYPE - EXTERNAL PARTS-EXTERNAL PARTS- transmission to engine brace-B,MB,W,ME
ATX TYPE - EXTERNAL PARTS-EXTERNAL PARTS- transmission to engine brace-B,MB,W,ME
Запчасти
AXOD TYPE - EXTERNAL PARTS-EXTERNAL PARTS - steering column- Transmission to engine brace-DC,E,ME
AXOD TYPE - EXTERNAL PARTS-EXTERNAL PARTS - steering column- Transmission to engine brace-DC,E,ME
Запчасти
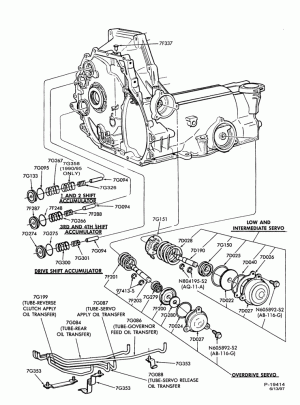
AXOD TYPE - INTERNAL PARTS-INTERNAL PARTS - servos, shift accumulators & related parts-DC,E,ME
AXOD TYPE - INTERNAL PARTS-INTERNAL PARTS - servos, shift accumulators & related parts-DC,E,ME
Запчасти
BACK WINDOW
BACK WINDOW
Запчасти
BODY SIDES AND QUARTER-Door bumpers
BODY SIDES AND QUARTER-Door bumpers
Запчасти
BODY SIDES AND QUARTER-Window parts - front door
BODY SIDES AND QUARTER-Window parts - front door
Запчасти
BODY SIDES AND QUARTER-Window parts - quarter
BODY SIDES AND QUARTER-Window parts - quarter
Запчасти
C3 TYPE - EXTERNAL PARTS-EXTERNAL PARTS- transmission bushings-MX
C3 TYPE - EXTERNAL PARTS-EXTERNAL PARTS- transmission bushings-MX
Запчасти
ELECTRICAL SYSTEMS-Electrical wire terminals
ELECTRICAL SYSTEMS-Electrical wire terminals
Запчасти
ELECTRICAL SYSTEMS-Wire connection sleeve kits
ELECTRICAL SYSTEMS-Wire connection sleeve kits
Запчасти
HINGE ASY. (FRONT DOOR UPPER) THRU 22802
HINGE ASY. (FRONT DOOR UPPER) THRU 22802
Запчасти
HINGE ASY. /CHECK ASY. (FRONT DOOR LOWER) AND 22811
HINGE ASY. /CHECK ASY. (FRONT DOOR LOWER) AND 22811
Запчасти
INSTRUMENT PANEL AND FLOOR-Cowl insulators & grille
INSTRUMENT PANEL AND FLOOR-Cowl insulators & grille
Запчасти
INSTRUMENT PANEL AND FLOOR-Windshield
INSTRUMENT PANEL AND FLOOR-Windshield
Запчасти
MOTOR OILS AND LUBRICANTS USA USAGE(PAINT)
MOTOR OILS AND LUBRICANTS USA USAGE(PAINT)
Запчасти
NAME PLATES
NAME PLATES
Запчасти
ROOF DRIP, QUARTER WINDOW AND STONE GUARDS
ROOF DRIP, QUARTER WINDOW AND STONE GUARDS
Запчасти
ROOF-Back window
ROOF-Back window
Запчасти
ROOF-Rear air extractor & grille
ROOF-Rear air extractor & grille
Запчасти
ROOF-Sunroof & related parts
ROOF-Sunroof & related parts
Запчасти
SEATS AND SEAT BELTS-Front seat manual lumbar support
SEATS AND SEAT BELTS-Front seat manual lumbar support
Запчасти
SEATS AND SEAT BELTS-Front seat mechanism - electric - lower half
SEATS AND SEAT BELTS-Front seat mechanism - electric - lower half
Запчасти
SHEET METAL-61 - upper body
SHEET METAL-61 - upper body
Запчасти
SOFT, INTERIOR TRIM-Interior trim parts - door trim   - garnish mouldings
SOFT, INTERIOR TRIM-Interior trim parts - door trim - garnish mouldings
Запчасти
SOFT, INTERIOR TRIM-Interior trim parts - door trim  - liftgate
SOFT, INTERIOR TRIM-Interior trim parts - door trim - liftgate
Запчасти
SOFT, INTERIOR TRIM-Interior trim parts - door trim  - trim clips & fasteners-Page A
SOFT, INTERIOR TRIM-Interior trim parts - door trim - trim clips & fasteners-Page A
Запчасти
SOFT, INTERIOR TRIM-Luggage compartment - cover
SOFT, INTERIOR TRIM-Luggage compartment - cover
Запчасти
TERMINAL (WIRE) - Page A
TERMINAL (WIRE) - Page A
Запчасти
TUBE (FUEL)
TUBE (FUEL)
Запчасти
VALVE ASY. (DISTRIBUTOR VACUUM CONTROL)
VALVE ASY. (DISTRIBUTOR VACUUM CONTROL)
Запчасти
WINDSHIELD
WINDSHIELD
Запчасти