cat
by
vin
Найти
Каталоги
Главная
FORD · PROBE
Узел
PROBE
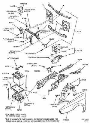
Охранная, противоугонная система
Запчасти
Дефлекторы, брызговики, накладки
Запчасти