cat
by
vin
Найти
Каталоги
Главная
FORD · MARK
Узел
MARK
BRAKES-Brake asy. - disc front
Запчасти
BRAKES-Disc brake system - anti-lock system
Запчасти
DRIVESHAFT-REAR AXLE - locking
Запчасти
DRIVESHAFT-REAR AXLE - non-locking
Запчасти
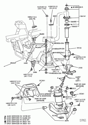
FRONT SUSPENSION-Arms, shock absorbers, spindles and stabilizer
Запчасти