E-SERIES
8 CYL. 5.0L-Engine - complete - Page C-E150/350
Запчасти
8 CYL. 5.8L-Cylinder block - external (Windsor)-E150/350
Запчасти
8 CYL. 5.8L-Engine - complete - Page C-E150/350
Запчасти
DISTRIBUTOR AND IGNITION SYSTEM-Distributor - 6 cyl. 4.9L
Запчасти
DISTRIBUTOR AND IGNITION SYSTEM-Distributor - 8 cyl. 5.8L
Запчасти
DISTRIBUTOR AND IGNITION SYSTEM-Wiring system - engine - E350 - 8 cyl. 7.3L
Запчасти
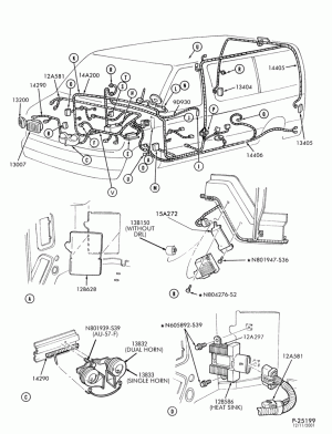
ELECTRICAL SYSTEMS-Wiring system - body - Page A-E150/350,E(Super Duty)
Запчасти
ELECTRICAL SYSTEMS-Wiring system - engine - 6 cyl. 4.9L-E150/350,E(Super Duty)
Запчасти
ELECTRICAL SYSTEMS-Wiring system - engine - 8 cyl. 7.5L-E250/350,E(Super Duty)
Запчасти