F-SERIES
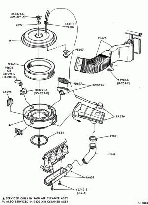
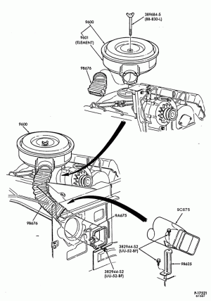
4 CYL. 2.0L (122 C.I.D.) AND 2.3L (140 C.I.D.)-GAS-W/O-R-"Before 11/82"
Запчасти
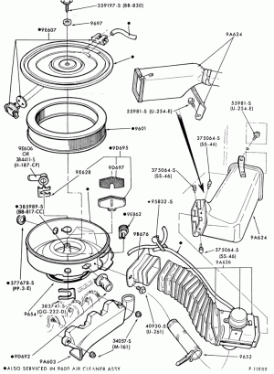
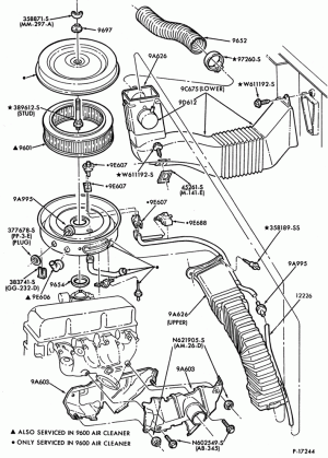
4 CYL. 2.0L (122 C.I.D.) AND 2.3L (140 C.I.D.)-GAS-W/O-R-"From 11/82"
Запчасти
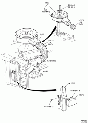
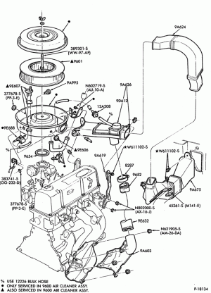
4 CYL. 2.2L (134 C.I.D.)-DIESEL-R
Запчасти
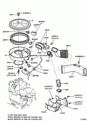
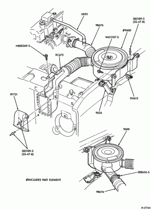
6 CYL. 2.8L (171 C.I.D.)-B-R
Запчасти
6 CYL. 2.9L 177 (C.I.D.)-Oil pan and related parts
Запчасти
6 CYL. 4.9L (300 C.I.D.)-Engine assembly
Запчасти
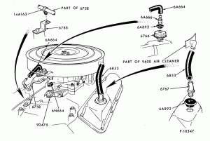
6 CYL. 4.9L (300 C.I.D.)-GAS-(dry type)-F100/250, U150
Запчасти
6 CYL. 4.9L (300 C.I.D.)-GAS-(dry type)-F150/350, U150
Запчасти
8 CYL. 5.0L (302 C.I.D.)-1980/85 E100/350-exc. E.F.I.
Запчасти
8 CYL. 5.0L (302 C.I.D.)-Engine assembly
Запчасти
8 CYL. 5.8L (351 C.I.D.)-W-GAS-E100/350
Запчасти
8 CYL. 5.8L (351 C.I.D.)-W-GAS-F150/250,U150
Запчасти
8 CYL. 6.6L (400 C.I.D.)-Emission reduction system
Запчасти
8 CYL. 6.9L (420 C.I.D.)-DIESEL-E250/350
Запчасти
8 CYL. 6.9L (420 C.I.D.)-DIESEL-F250/350
Запчасти
8 CYL. 7.5L (460 C.I.D.)-Engine assy.
Запчасти
8 CYL. 7.5L (460 C.I.D.)-GAS-E250/350
Запчасти
8 CYL. 7.5L (460 C.I.D.)-GAS-F250/350
Запчасти
WATER PUMPS-WATER PUMPS- 8 cyl. 255 (4.2L), 302 (5.0L) and 351W (5.8L)-F100/250
Запчасти