cat
by
vin
Найти
Каталоги
Главная
FORD · SABLE
Узел
SABLE
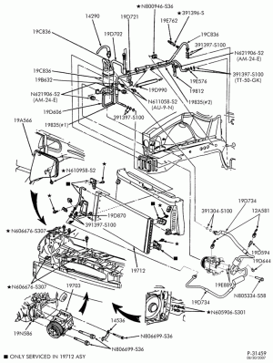
AIR CONDITIONER-Condenser & dehydrator - 6 cyl. 3.0L - exc. DOHC
Запчасти
AIR CONDITIONER-Heater & controls - details - A.T.C.
Запчасти
AIR CONDITIONER-Heater & controls - details - manual A/C
Запчасти