cat
by
vin
Найти
Каталоги
Главная
FORD · LINCOLN CONTINENTAL
Узел
LINCOLN CONTINENTAL
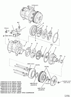
Привод компрессора кондиционера
Запчасти
AIR CONDITIONER-Compressor Installation- 6 cyl.
Запчасти
AIR CONDITIONER-Compressor Installation- 8 cyl.
Запчасти
AIR CONDITIONER-Evaporator- A.T.C.
Запчасти
AIR CONDITIONER-Evaporator- manual
Запчасти
AIR CONDITIONER-Heater- heater parts
Запчасти