NAVIGATOR
8 CYL. 5.4L - DOHC-Air cleaner & related parts
Запчасти
8 CYL. 5.4L - SOHC-Air cleaner - SOHC
Запчасти
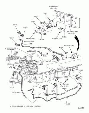
8 CYL. 5.4L - SOHC-Fuel system & related parts - lines - Page A
Запчасти
8 CYL. 5.4L - SOHC-Oil cooler & filter - with remote filter-TN
Запчасти
8 CYL. 5.4L - SOHC-Oil filter adaptor - with front-block mounted oil filter-TN
Запчасти
8 CYL. 5.4L - SOHC-Oil filter adaptor - with rear-block mounted oil filter-TN
Запчасти
8 CYL. 5.4L - SOHC-Oil filter adaptor - with remote mounted oil filter - with cooler-TN
Запчасти
AUTOMATIC TRANSMISSION-INTERNAL PARTS - Main control valve, accumulator body, solenoid body & related parts-TN
Запчасти
DISTRIBUTOR AND IGNITION SYSTEM-Starter & drive assembly - 8 cyl. 5.4L - SOHC & DOHC
Запчасти
MANUAL TRANSMISSION LINKAGE AND CLUTCH-Warner 4406 - on demand AWD-TN
Запчасти