E-SERIES
6 CYL. 2.9L 177 (C.I.D.)-Oil pan and related parts
Запчасти
AIR CONDITIONING-Bezels and Controls - built - Super/Van Wagon - built - built - built - built-in (dealer installed)-auxiliary-main-trim air-E100/350
Запчасти
AIR CONDITIONING-Bezels and Controls - built - Super/Van Wagon - built - built - built- main-integral-All
Запчасти
AIR CONDITIONING-Bezels and Controls - built-in (dealer installed)-main-All
Запчасти
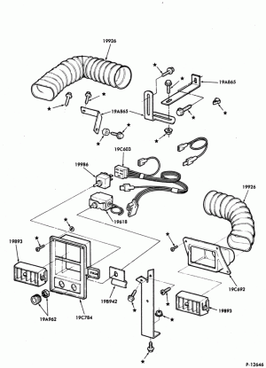
AIR CONDITIONING-Bezels and Controls - built-in (dealer installed)-auxiliary-cobra head-All
Запчасти
AIR CONDITIONING-Bezels and Controls- integral-main-All
Запчасти
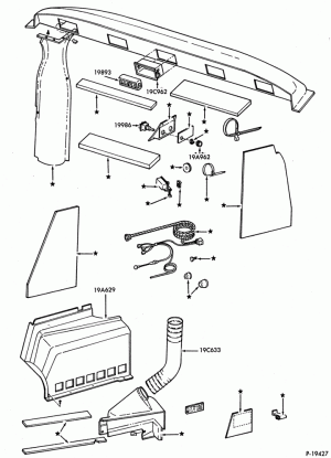
HEATERS-Heater Ducts and Register - (Super/Van wagon)-All
Запчасти
HEATERS-Heater Parts (fresh air)-engine compartment-All
Запчасти
HEATERS-Heater Parts (fresh air)-passenger compartment-All
Запчасти
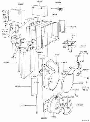
HEATERS-Heater Parts-auxiliary-All
Запчасти
INSTRUMENT PANEL-Instrument panel and pad-All
Запчасти