MERCURY
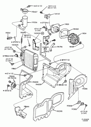
AIR CONDITIONER-Evaporator - integral
Запчасти
FENDERS AND HOODS-Fender and apron sheet metal
Запчасти
INSTRUMENT PANEL AND FLOOR-Instrument panel - Ford - Page A
Запчасти
INSTRUMENT PANEL AND FLOOR-Instrument panel - Mercury - Page A
Запчасти
RADIATOR, GRILL AND COOLING-RADIATOR GRILLE AIR DEFLECTORS
Запчасти