cat
by
vin
Найти
Каталоги
Главная
FORD · MARK
Узел
MARK
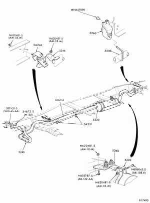
Крепление системы ОГ
Запчасти
Прокладки системы выпуска ОГ
Раздел
Коллектор выпускной
Раздел
Глушитель задняя часть системы ОГ
Запчасти