cat
by
vin
Найти
Каталоги
Главная
FORD · MARK
Узел
MARK
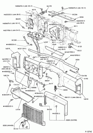
LAMPS-Vacuum controlled headlamp cover system
Запчасти
RADIATOR, GRILL AND COOLING-RADIATOR GRILLE & RELATED PARTS
Запчасти