catbyvin

MARK

C4 TYPE - EXTERNAL PARTS--MF
Раздел
(K) ALL -- 2 T/B 2 U/B - Page A
(K) ALL -- 2 T/B 2 U/B - Page A
Запчасти
(K) ALL -- 2 T/B 2 U/B - Page B
(K) ALL -- 2 T/B 2 U/B - Page B
Запчасти
8 CYL. 5.8LW (351 C.I.D.) - W-Carburetor - Ford 2/B(VV)- main body
8 CYL. 5.8LW (351 C.I.D.) - W-Carburetor - Ford 2/B(VV)- main body
Запчасти
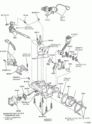
8 CYL. 5.8LW (351 C.I.D.) - W-Carburetor - Ford 2/B(VV)- throttle body
8 CYL. 5.8LW (351 C.I.D.) - W-Carburetor - Ford 2/B(VV)- throttle body
Запчасти
AIR CONDITIONER-Garage door opener and related parts
AIR CONDITIONER-Garage door opener and related parts
Запчасти
AOT TYPE - EXTERNAL PARTS-- transmission shift controls-A,MA,D,K
AOT TYPE - EXTERNAL PARTS-- transmission shift controls-A,MA,D,K
Запчасти
BACK END
BACK END
Запчасти
BASE ASY. (JACK)
BASE ASY. (JACK)
Запчасти
BODY SIDES AND QUARTER-(opera) - body type 54
BODY SIDES AND QUARTER-(opera) - body type 54
Запчасти
BODY SIDES AND QUARTER-(quarter) - body type 66
BODY SIDES AND QUARTER-(quarter) - body type 66
Запчасти
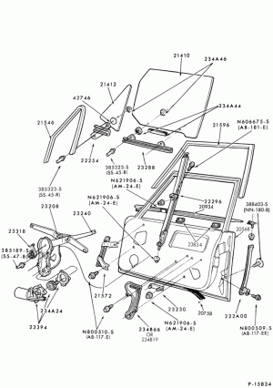
BODY SIDES AND QUARTER-(rear door)
BODY SIDES AND QUARTER-(rear door)
Запчасти
BODY SIDES AND QUARTER-Door bumpers
BODY SIDES AND QUARTER-Door bumpers
Запчасти
BODY SIDES AND QUARTER-Window parts (front door) - body type 54
BODY SIDES AND QUARTER-Window parts (front door) - body type 54
Запчасти
BODY SIDES AND QUARTER-Window parts (front door) - body type 66
BODY SIDES AND QUARTER-Window parts (front door) - body type 66
Запчасти
C/M TYPE - FMX - INTERNAL PARTS-(rear) - typical-A,MA
C/M TYPE - FMX - INTERNAL PARTS-(rear) - typical-A,MA
Запчасти
C/M TYPE - FMX - INTERNAL PARTS-INTERNAL PARTS- oil pressure - regulator (7A139)-A,MA
C/M TYPE - FMX - INTERNAL PARTS-INTERNAL PARTS- oil pressure - regulator (7A139)-A,MA
Запчасти
C3 TYPE - EXTERNAL PARTS-EXTERNAL PARTS- oil cooling system-F,J
C3 TYPE - EXTERNAL PARTS-EXTERNAL PARTS- oil cooling system-F,J
Запчасти
C4 TYPE - EXTERNAL PARTS--F,J
C4 TYPE - EXTERNAL PARTS--F,J
Запчасти
C4 TYPE - EXTERNAL PARTS--L,ML
C4 TYPE - EXTERNAL PARTS--L,ML
Запчасти
C4 TYPE - EXTERNAL PARTS--P,MP
C4 TYPE - EXTERNAL PARTS--P,MP
Запчасти
C4 TYPE - EXTERNAL PARTS-EXTERNAL PARTS - transmission shift controls-A,MA
C4 TYPE - EXTERNAL PARTS-EXTERNAL PARTS - transmission shift controls-A,MA
Запчасти
C6 TYPE - EXTERNAL PARTS-EXTERNAL PARTS - transmission bushings-A,MA
C6 TYPE - EXTERNAL PARTS-EXTERNAL PARTS - transmission bushings-A,MA
Запчасти
DISTRIBUTOR AND IGNITION SYSTEM-Alternator mounting brackets (typical)- 8 cyl. 302, 351W
DISTRIBUTOR AND IGNITION SYSTEM-Alternator mounting brackets (typical)- 8 cyl. 302, 351W
Запчасти
DOOR EDGE GUARDS
DOOR EDGE GUARDS
Запчасти
DRIP, DOOR BELT AND QUARTER WINDOW MOULDINGS - BODY TYPE 66
DRIP, DOOR BELT AND QUARTER WINDOW MOULDINGS - BODY TYPE 66
Запчасти
ELECTRICAL SYSTEMS-Electrical wire terminals
ELECTRICAL SYSTEMS-Electrical wire terminals
Запчасти
ELECTRICAL SYSTEMS-Wire connection sleeve kits
ELECTRICAL SYSTEMS-Wire connection sleeve kits
Запчасти
FRONT SPRING AND STABILIZERS-FRAME STABILIZER
FRONT SPRING AND STABILIZERS-FRAME STABILIZER
Запчасти
HINGE AND CHECK ASY. (REAR DOOR LOWER) AND 26803
HINGE AND CHECK ASY. (REAR DOOR LOWER) AND 26803
Запчасти
HINGE ASY. (FRONT DOOR UPPER) THRU 22802
HINGE ASY. (FRONT DOOR UPPER) THRU 22802
Запчасти
HINGE ASY. (REAR DOOR UPPER)
HINGE ASY. (REAR DOOR UPPER)
Запчасти
HINGE ASY. /CHECK ASY. (FRONT DOOR LOWER) AND 22811
HINGE ASY. /CHECK ASY. (FRONT DOOR LOWER) AND 22811
Запчасти
LOOP (FRONT SEAT BACK SIDE) AND 610C07
LOOP (FRONT SEAT BACK SIDE) AND 610C07
Запчасти
ROOF AND BACK BELT - W/HALF VINYL ROOF - BODY TYPE 54
ROOF AND BACK BELT - W/HALF VINYL ROOF - BODY TYPE 54
Запчасти
ROOF-Carriage roof (vinyl)
ROOF-Carriage roof (vinyl)
Запчасти
ROOF-Coach roof - w/sliding roof
ROOF-Coach roof - w/sliding roof
Запчасти
ROOF-Roof pads and related parts - body type 54 - body type 66
ROOF-Roof pads and related parts - body type 54 - body type 66
Запчасти
ROOF-Roof pads and related parts - body type 54 - w/o sun roof
ROOF-Roof pads and related parts - body type 54 - w/o sun roof
Запчасти
ROOF-Roof side weatherstrips - body type 54
ROOF-Roof side weatherstrips - body type 54
Запчасти
ROOF-Roof side weatherstrips - body type 66
ROOF-Roof side weatherstrips - body type 66
Запчасти
SOFT, INTERIOR TRIM-Luggage compartment trim
SOFT, INTERIOR TRIM-Luggage compartment trim
Запчасти
STRIPES - DESIGNER SERIES BLASS - BODY TYPE 66
STRIPES - DESIGNER SERIES BLASS - BODY TYPE 66
Запчасти
STRIPES - DESIGNER SERIES CARTIER - BODY TYPE 66
STRIPES - DESIGNER SERIES CARTIER - BODY TYPE 66
Запчасти
STRIPES - DESIGNER SERIES PUCCI - BODY TYPE 66
STRIPES - DESIGNER SERIES PUCCI - BODY TYPE 66
Запчасти
STRIPES - SERIES GIVENCHY - BODY TYPE 66
STRIPES - SERIES GIVENCHY - BODY TYPE 66
Запчасти
STRIPES - SIGNATURE SERIES - BODY TYPE 66
STRIPES - SIGNATURE SERIES - BODY TYPE 66
Запчасти
TERMINAL (WIRE) - Page A
TERMINAL (WIRE) - Page A
Запчасти
TUBE (FUEL)
TUBE (FUEL)
Запчасти
VALVE ASY. (DISTRIBUTOR VACUUM CONTROL)
VALVE ASY. (DISTRIBUTOR VACUUM CONTROL)
Запчасти
WINDOW FRAME MOULDINGS - BODY TYPE 54
WINDOW FRAME MOULDINGS - BODY TYPE 54
Запчасти
WINDOW FRAME MOULDINGS - BODY TYPE 66
WINDOW FRAME MOULDINGS - BODY TYPE 66
Запчасти
WINDSHIELD
WINDSHIELD
Запчасти