catbyvin

MARK

4 CYL. 2.3L (140 C.I.D.)-Engine parts- external
4 CYL. 2.3L (140 C.I.D.)-Engine parts- external
Запчасти
8 CYL. 4.2L (255 C.I.D.)-Cylinder head, valves and related parts
8 CYL. 4.2L (255 C.I.D.)-Cylinder head, valves and related parts
Запчасти
8 CYL. 4.2L (255 C.I.D.)-Engine assy.
8 CYL. 4.2L (255 C.I.D.)-Engine assy.
Запчасти
8 CYL. 5.0L (302 C.I.D.)-Intake manifold and related parts
8 CYL. 5.0L (302 C.I.D.)-Intake manifold and related parts
Запчасти
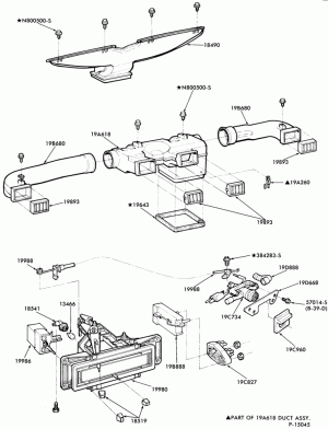
AIR CONDITIONER-Controls and Ducts
AIR CONDITIONER-Controls and Ducts
Запчасти
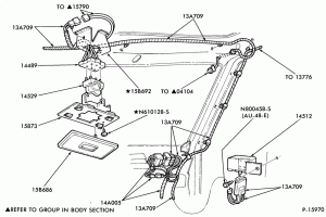
AIR CONDITIONER-Shock absorber- rear
AIR CONDITIONER-Shock absorber- rear
Запчасти
AIR CONDITIONER-and related parts  - AM/FM multiplex stereo radio,- Page A
AIR CONDITIONER-and related parts - AM/FM multiplex stereo radio,- Page A
Запчасти
C4 TYPE - EXTERNAL PARTS-EXTERNAL PARTS- shift mechanism - console mounted-F,J,P,MP
C4 TYPE - EXTERNAL PARTS-EXTERNAL PARTS- shift mechanism - console mounted-F,J,P,MP
Запчасти
DISTRIBUTOR AND IGNITION SYSTEM-Instrument cluster parts - w/electronic cluster- Page A
DISTRIBUTOR AND IGNITION SYSTEM-Instrument cluster parts - w/electronic cluster- Page A
Запчасти
DISTRIBUTOR AND IGNITION SYSTEM-Instrument cluster parts - w/electronic cluster- Page B
DISTRIBUTOR AND IGNITION SYSTEM-Instrument cluster parts - w/electronic cluster- Page B
Запчасти
DISTRIBUTOR AND IGNITION SYSTEM-Instrument cluster parts- w/o electronic cluster
DISTRIBUTOR AND IGNITION SYSTEM-Instrument cluster parts- w/o electronic cluster
Запчасти
ELECTRICAL SYSTEMS-Automatic headlamp dimmer system
ELECTRICAL SYSTEMS-Automatic headlamp dimmer system
Запчасти
ELECTRICAL SYSTEMS-Power moon roof switch and wiring
ELECTRICAL SYSTEMS-Power moon roof switch and wiring
Запчасти
ELECTRICAL SYSTEMS-Power window and seat controls and wiring
ELECTRICAL SYSTEMS-Power window and seat controls and wiring
Запчасти
ELECTRICAL SYSTEMS-Wiring system - engine compartment
ELECTRICAL SYSTEMS-Wiring system - engine compartment
Запчасти
ELECTRICAL SYSTEMS-Wiring system - instrument panel
ELECTRICAL SYSTEMS-Wiring system - instrument panel
Запчасти
INSTRUMENT PANEL AND FLOOR-Instrument panel
INSTRUMENT PANEL AND FLOOR-Instrument panel
Запчасти
INSTRUMENT PANEL AND FLOOR-Sun visor, vanity mirror and rear view mirror
INSTRUMENT PANEL AND FLOOR-Sun visor, vanity mirror and rear view mirror
Запчасти
JATCO TYPE - EXTERNAL PARTS-EXTERNAL PARTS- shift mechanism - console mounted-G,MG
JATCO TYPE - EXTERNAL PARTS-EXTERNAL PARTS- shift mechanism - console mounted-G,MG
Запчасти
LAMPS-Coach lamp - B/T 54
LAMPS-Coach lamp - B/T 54
Запчасти
LAMPS-Coach lamp - B/T 66
LAMPS-Coach lamp - B/T 66
Запчасти
LAMPS-Courtesy lamp - door trim panel
LAMPS-Courtesy lamp - door trim panel
Запчасти
LAMPS-Courtesy lamp - front seat
LAMPS-Courtesy lamp - front seat
Запчасти
LAMPS-Courtesy lamp - luggage compartment
LAMPS-Courtesy lamp - luggage compartment
Запчасти
LAMPS-Dome/map lamp
LAMPS-Dome/map lamp
Запчасти
LAMPS-Headlamp, auxiliary headlamp cover, parking and front fender side marker lamps
LAMPS-Headlamp, auxiliary headlamp cover, parking and front fender side marker lamps
Запчасти
LAMPS-Illuminated name plate - instrument panel
LAMPS-Illuminated name plate - instrument panel
Запчасти
LAMPS-Rear lamp, backup, license plate and body side marker
LAMPS-Rear lamp, backup, license plate and body side marker
Запчасти
SOFT, INTERIOR TRIM-Illuminated vanity mirror
SOFT, INTERIOR TRIM-Illuminated vanity mirror
Запчасти