cat
by
vin
Найти
Каталоги
Главная
FORD · MERCURY
Узел
MERCURY
Датчики, блоки, клапана, регуляторы системы
Раздел
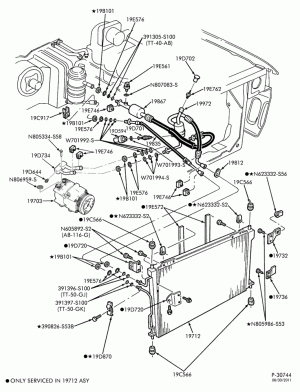
Компрессор кондиционера
Раздел
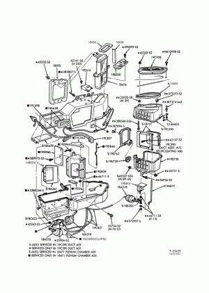
Испаритель, осушитель кондиционера
Запчасти
Отопитель салона
Раздел
Патрубки, трубки системы
Запчасти
Радиатор кондиционера
Раздел
Радиатор отопителя салона
Запчасти
Воздуховоды
Раздел