cat
by
vin
Найти
Каталоги
Главная
FORD · PROBE
Узел
PROBE
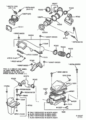
4 CYL. 2.0L-Air cleaner
Запчасти
4 CYL. 2.0L-Fuel vapor canister, filter & related parts
Запчасти
6 CYL. 2.5L - DOHC-Oil pump, screen and related parts
Запчасти
6 CYL. 2.5L-Air cleaner
Запчасти
6 CYL. 2.5L-Fuel vapor canister, filter & related parts
Запчасти