cat
by
vin
Найти
Каталоги
Главная
FORD · LINCOLN CONTINENTAL
Узел
LINCOLN CONTINENTAL
Фильтры
Раздел
Лампы
Раздел
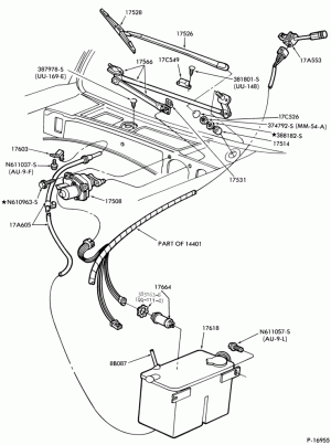
Стеклоочистители
Запчасти
Свеча зажигания, накаливания
Раздел
Колодки тормозные
Раздел
Диск, барабан тормозной
Раздел
Инструмент
Раздел