cat
by
vin
Найти
Каталоги
Главная
FORD · LINCOLN CONTINENTAL
Узел
LINCOLN CONTINENTAL
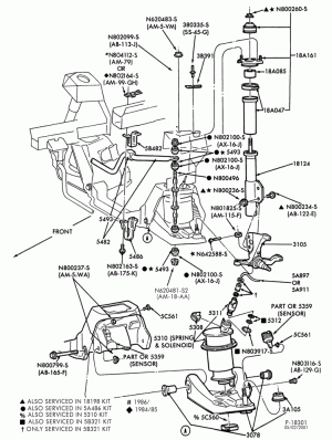
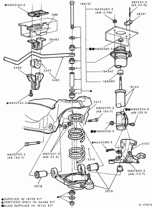
FRONT SPRING AND STABILIZERS-FRONT SUSPENSION
Запчасти
FRONT SPRING AND STABILIZERS-REAR SUSPENSION - arms and shock absorbers
Запчасти
FRONT SUSPENSION-Arms, shock absorbers, spindles and stabilizer
Запчасти
SPRING (FRONT COIL)
Запчасти