LLV (POSTAL VEHICLE)
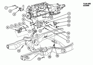
ENGINE & TRANSMISSION MOUNTING (LN8/2.5E,L38/2.5A)
Запчасти
ENGINE ASM-2.5L L4 PART 1 BLOCK & INTERNAL PARTS (L38/2.5A)
Запчасти
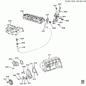
ENGINE ASM-2.5L L4 PART 2 CYLINDER HEAD & RELATED PARTS (L38/2.5A)
Запчасти
ENGINE ASM-2.5L L4 PART 3 FRONT COVER & COOLING RELATED PARTS (L38/2.5A)
Запчасти
ENGINE ASM-2.5L L4 PART 4 OIL PUMP,PAN & RELATED PARTS (L38/2.5A)
Запчасти
ENGINE ASM-2.5L L4 PART 5 MANIFOLD & FUEL RELATED PARTS (L38/2.5A)
Запчасти