Envoy (4WD) exc Denali
ENGINE & TRANSMISSION MOUNTING (LL8/4.2S)
Запчасти
ENGINE ASM & PARTIAL ENGINE (LL8/4.2S)
Запчасти
ENGINE ASM-4.2L L6 PART 1 BLOCK AND INTERNAL PARTS (LL8/4.2S)
Запчасти
ENGINE ASM-4.2L L6 PART 2 CYLINDER HEAD AND RELATED PARTS (LL8/4.2S)
Запчасти
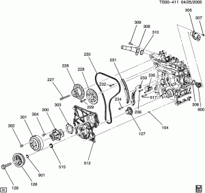
ENGINE ASM-4.2L L6 PART 3 COOLING RELATED, FRONT END DRIVE (LL8/4.2S)
Запчасти
ENGINE ASM-4.2L L6 PART 4 OIL PUMP, PAN AND RELATED PARTS (LL8/4.2S)
Запчасти
ENGINE ASM-4.2L L6 PART 5 MANIFOLDS AND FUEL RELATED PARTS (LL8/4.2S)(EXC (K18))
Запчасти
ENGINE ASM-4.2L L6 PART 5 MANIFOLDS AND FUEL RELATED PARTS (LL8/4.2S)(K18)
Запчасти
ENGINE TO TRANSMISSION MOUNTING (LL8/4.2S)
Запчасти
SHIELD/ENGINE SPLASH (LL8/4.2S, EXC ZM5)(1ST DES)
Запчасти
SHIELD/ENGINE SPLASH (LL8/4.2S, EXC ZM5)(2ND DES)
Запчасти
SHIELD/ENGINE SPLASH (LL8/4.2S,ZM5)
Запчасти