cat
by
vin
Найти
Каталоги
Главная
GMC · K2500 PICKUP SIERRA XC 4WD (1989 - 1991)
Узел
K2500 PICKUP SIERRA XC 4WD (1989 - 1991)
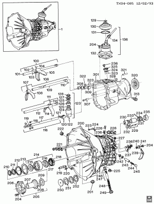
5-SPEED MANUAL TRANSMISSION (MG5) PART 1 (CASE & RELATED PARTS)
Запчасти
5-SPEED MANUAL TRANSMISSION (MG5) PART 2 (MAIN GEARS)
Запчасти
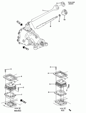
SHIFT CONTROLS/MANUAL TRANSMISSION 5 SPEED (MG5)
Запчасти