16-220 (1996 - 2002)
Filtro de óleo auxiliar do motor
Запчасти
Montagem do radiador - modelo 15
Запчасти
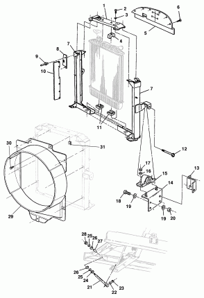
Montagem do radiador - modelos 12/14/16
Запчасти
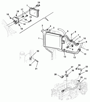
Radiador e mangueiras
Запчасти
Reservatório de expansão do radiador - modelo 15
Запчасти
Reservatório de expansão do radiador - modelos 12/14/16
Запчасти
Ventilador, polias e correia
Запчасти