BRAVADA 4WD
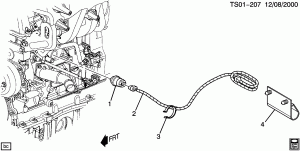
ENGINE BLOCK HEATER (LL8/4.2S)
Запчасти
ENGINE BLOCK HEATER (LM4/5.3P)
Запчасти
ENGINE COOLANT FAN & CLUTCH (LL8/4.2S)
Запчасти
ENGINE COOLANT FAN & CLUTCH (LM4/5.3P)
Запчасти
GRILLE/RADIATOR (G.M.C. Z88, EXC HEADLAMP WASHER CE4)
Запчасти
GRILLE/RADIATOR (G.M.C. Z88, HEADLAMP WASHER CE4)
Запчасти
PULLEYS & BELTS/ACCESSORY DRIVE (LL8/4.2S)
Запчасти
PULLEYS & BELTS/ACCESSORY DRIVE (LM4/5.3P)
Запчасти
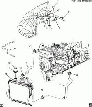
RADIATOR & RELATED PARTS
Запчасти
RADIATOR ASM
Запчасти
RADIATOR HOSES (LL8/4.2S)
Запчасти
RADIATOR HOSES (LM4/5.3P)
Запчасти
RADIATOR MOUNTING & RELATED PARTS (BUICK W49, G.M.C. Z88)
Запчасти