cat
by
vin
Найти
Каталоги
Главная
GMC · LLV (POSTAL VEHICLE)
Узел
LLV (POSTAL VEHICLE)
STEERING COLUMN
Запчасти
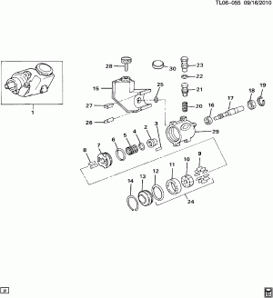
STEERING GEAR ASM
Запчасти
STEERING LINKAGE
Запчасти
STEERING PUMP ASM
Запчасти
STEERING PUMP MOUNTING & LINES
Запчасти
STEERING SYSTEM & RELATED PARTS
Запчасти
STEERING WHEEL & HORN PARTS
Запчасти
SUSPENSION/FRONT
Запчасти