JIMMY ENVOY 2WD
ENGINE BLOCK HEATER
Запчасти
ENGINE COOLANT FAN & CLUTCH (LF6/4.3X,L35/4.3W)
Запчасти
ENGINE COOLANT FAN & CLUTCH (LN2/2.2-4)
Запчасти
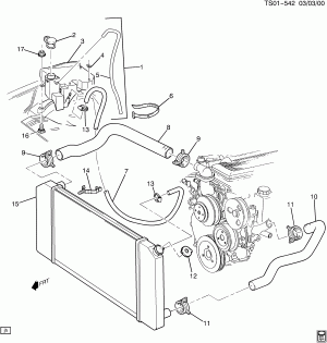
ENGINE COOLING SYSTEM (LF6/4.3X,L35/4.3W)
Запчасти
ENGINE COOLING SYSTEM (LN2/2.2-4)
Запчасти
ENGINE OIL COOLER LINES (LF6/4.3X,L35/4.3W)
Запчасти
GRILLE/RADIATOR (G.M.C. Z88)
Запчасти
PULLEYS & BELTS (LF6/4.3X,L35/4.3W)
Запчасти
PULLEYS & BELTS (LN2/2.2-4)
Запчасти
RADIATOR & RELATED PARTS (G.M.C. Z88, AIR CONDITIONING C60)
Запчасти
RADIATOR & RELATED PARTS (HEATER C42)
Запчасти
RADIATOR ASM (LF6/4.3X,L35/4.3W)
Запчасти
RADIATOR ASM (LN2/2.2-4)
Запчасти
TENSIONER/DRIVE BELT & IDLER PULLEY (LF6/4.3X,L35/4.3W)
Запчасти