cat
by
vin
Найти
Каталоги
Главная
GMC · JIMMY ENVOY 2WD
Узел
JIMMY ENVOY 2WD
CONVENIENCE NET/CARGO
Запчасти
ENDGATE & RELATED PARTS(E55)
Запчасти
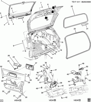
LIFTGATE & RELATED PARTS(TB4)
Запчасти
LIFTGATE/TRIM(TB4)
Запчасти
LUGGAGE CARRIER (CHEVROLET X88/G.M.C. Z88)
Запчасти
MOLDINGS & DECALS (G.M.C. Z88, EXC ENVOY YC7)
Запчасти
STRIPES (G.M.C. Z88, SPORT D88)
Запчасти