R2500 SUBURBAN
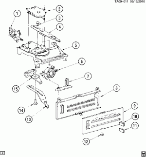
A/C & HEATER CONTROL ASM
Запчасти
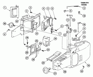
A/C & HEATER MODULE ASM
Запчасти
A/C & HEATER MODULE ASM/REAR AIR (C69)
Запчасти
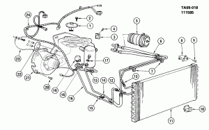
A/C COMPRESSOR ASM/A-6
Запчасти
A/C COMPRESSOR ASM/R-4
Запчасти
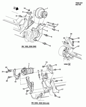
A/C COMPRESSOR MOUNTING (L05/5.7K)
Запчасти
A/C COMPRESSOR MOUNTING (L19/7.4N)
Запчасти
A/C COMPRESSOR MOUNTING (LH6/6.2C,LL4/6.2J) DIESEL
Запчасти
A/C CONTROL SYSTEM VACUUM & ELECTRICAL (C60)
Запчасти
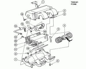
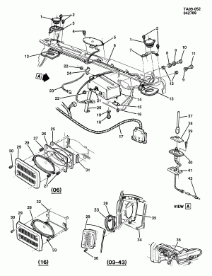
A/C EVAPORATOR ASM & BLOWER
Запчасти
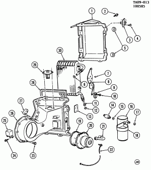
A/C REFRIGERATION SYSTEM
Запчасти
A/C SYSTEM/REAR (C69)
Запчасти
AIR DISTRIBUTION SYSTEM/INSTRUMENT PANEL
Запчасти
AIR DISTRIBUTION SYSTEM/PLENUM
Запчасти
AUDIO SYSTEM
Запчасти
BODY MOUNTING
Запчасти
CLUSTER ASM/INSTRUMENT PANEL
Раздел