P35 / P3500 VAN
CLUTCH ASM/DIAPHRAGM SPRING TYPE
Запчасти
ENGINE & TRANSMISSION MOUNTING
Запчасти
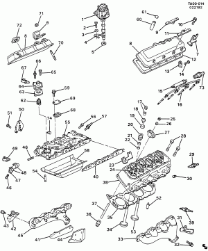
ENGINE ASM-5.7L V8 PART 1 (LO5/5.7K)
Запчасти
ENGINE ASM-5.7L V8 PART 1 (LT9/350M)
Запчасти
ENGINE ASM-5.7L V8 PART 2 (L05/5.7K)
Запчасти
ENGINE ASM-5.7L V8 PART 2 (LT9/350M)
Запчасти
ENGINE ASM-6.2L V8 DIESEL PART 1 (LL4/6.2J)
Запчасти
ENGINE ASM-6.2L V8 DIESEL PART 2 (LL4/6.2J)
Запчасти
ENGINE ASM-7.4L V8 PART 1 (LE8/454W)
Запчасти
ENGINE ASM-7.4L V8 PART 2 (LE8/454W)
Запчасти