C2500 PICKUP 2WD - Carryover Model
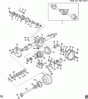
AXLE ASM/REAR-COMPLETE
Запчасти
AXLE ASM/REAR 9.50 RING GEAR PART 1
Запчасти
AXLE ASM/REAR 9.50 RING GEAR PART 2 DIFFERENTIAL/LOCKING
Запчасти
AXLE ASM/REAR 10.50 RING GEAR PART 1
Запчасти
AXLE ASM/REAR 10.50 RING GEAR PART 2 DIFFERENTIAL/LOCKING
Запчасти
BRAKE ASM/REAR DRUM (13 X 2.50" BRAKE)(JB7,JD7)
Запчасти
PROP SHAFT/FRONT & REAR (TWO PIECE)
Раздел
PROP SHAFT MOUNTING
Запчасти
REAR AXLE VENT HOSE
Запчасти
WHEELS & WHEEL COVERS
Запчасти